elecena.pl

IEEE 802.3bt PoE high-power PD interface with advanced startup

Texas Instruments

IEEE 802.3bt PoE high-power PD interface with advanced startup RSS Sample
  • Darmowa próbka
MPN:
TPS2373
Producent:
TEXAS INSTRUMENTS
Dodany do bazy:
Ostatnio widziany:

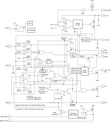
The TPS2373 contains all of the features needed to implement an IEEE802.3at or IEEE802.3bt (draft) (Type 1-4) powered device (PD). The low internal switch resistance allows the TPS2373-4 and TPS2373-3 to support high power applications up to 90 W and 60 W respectively. Assuming 100-meter CAT5 cable, this translates into 71.3 W and 51 W at PD input.

The TPS2373 operates with enhanced features.

The Advanced Startup function for DC-DC results in a simple, flexible, and minimal system cost solution, while ensuring that IEEE802.3bt (draft) startup requirements are met. It helps to reduce the size of the low voltage bias capacitor considerably. It also allows long DC-DC converter soft-start period and enables the use of a low-voltage PWM controller.

The Automatic MPS function enables applications requiring very low power standby modes. The TPS2373 automatically generates the necessary pulsed current to maintain the PSE power. An external resistor is used to enable this functionality and to program the MPS pulsed current amplitude.

Elecena nie prowadzi sprzedaży elementów elektronicznych, ani w niej nie pośredniczy.

Produkt pochodzi z oferty sklepu