Automotive 50-V, 3.6-A H-bridge motor driver with integrated current sensing
Texas Instruments
RSS
Sample
- Darmowa próbka
- MPN:
- DRV8871-Q1
- Producent:
- TEXAS INSTRUMENTS
- Dodany do bazy:
- Ostatnio widziany:
Sugerowane produkty dla drv8871
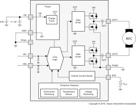
The DRV8871-Q1 device is a brushed-DC motor driver for printers, appliances, industrial equipment, and other small machines. Two logic inputs control the H-bridge driver, which consists of four N-channel MOSFETs that can control motors bidirectionally with up to 3.6-A peak current. The inputs can be pulse-width modulated (PWM) to control motor speed, using a choice of current-decay modes. Setting both inputs low enters a low-power sleep mode.
The DRV8871-Q1 device has advanced current-regulation circuitry that does not use an analog voltage reference or external sense resistor. This novel solution uses a standard low-cost, low-power resistor to set the current threshold. The ability to limit current to a known level can significantly reduce the system power requirements and bulk capacitance needed to maintain stable voltage, especially for motor startup and stall conditions.
The device is fully protected from faults and short circuits, including undervoltage (UVLO), overcurrent (OCP), and overtemperature (TSD). When the fault condition is removed, the device automatically resumes normal operation.
Elecena nie prowadzi sprzedaży elementów elektronicznych, ani w niej nie pośredniczy.
Produkt pochodzi z oferty sklepu Texas Instruments