elecena.pl

Buffered Octal, 18-Bit, 200ksps/Ch Differential ±10.24V ADC with 30V Common Mode Range

Analog Devices

Buffered Octal, 18-Bit, 200ksps/Ch Differential ±10.24V ADC with 30V Common Mode Range RSS Sample
  • Darmowa próbka
MPN:
LTC2358-18
Producent:
ANALOG DEVICES
Dodany do bazy:
Ostatnio widziany:
Zmiana ceny:
-100% (20.01.2025)
Poprzednia cena:
30.55

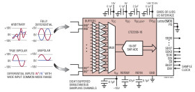
The LTC2358-18 is an 18-bit, low noise 8-channel simultaneous sampling successive approximation register (SAR) ADC with buffered differential, wide common mode range picoamp inputs. Operating from a 5V low voltage supply, flexible high voltage supplies, and using the internal reference and buffer, each channel of this SoftSpan™ ADC can be independently configured on a conversion-by-conversion basis to accept ±10.24V, 0V to 10.24V, ±5.12V, or 0V to 5.12V signals. Individual channels may also be disabled to increase throughput on the remaining channels.

The integrated picoamp-input analog buffers, wide input common mode range and 128dB CMRR of the LTC2358-18 allow the ADC to directly digitize a variety of signals using minimal board space and power. This input signal flexibility, combined with ±3.5LSB INL, no missing codes at 18 bits, and 96.4dB SNR, makes the LTC2358-18 an ideal choice for many high voltage applications requiring wide dynamic range.

The LTC2358-18 supports pin-selectable SPI CMOS (1.8V to 5V) and LVDS serial interfaces. Between one and eight lanes of data output may be employed in CMOS mode, allowing the user to optimize bus width and throughput.

Applications

* Programmable Logic Controllers

* Industrial Process Control

* Power Line Monitoring

* Test and Measurement

* Simultaneous Sampling of 8 Buffered Channels

* 200ksps per Channel Throughput

* 500pA/12nA Max Input Leakage at 85°C/125°C

* ±3.5LSB INL (Maximum, ±10.24V Range)

* Guaranteed 18-Bit, No Missing Codes

* Differential, Wide Common Mode Range Inputs

* Per-Channel SoftSpan Input Ranges:

* ±10.24V, 0V to 10.24V, ±5.12V, 0V to 5.12V

* ±12.5V, 0V to 12.5V, ±6.25V, 0V to 6.25V

* 96.4dB Single-Conversion SNR (Typical)

* −111dB THD (Typical) at fIN = 2kHz

* 128dB CMRR (Typical) at fIN = 200Hz

* Rail-to-Rail Input Overdrive Tolerance

* Integrated Reference and Buffer (4.096V)

* SPI CMOS (1.8V to 5V) and LVDS Serial I/O

* Internal Conversion Clock, No Cycle Latency

* 219mW Power Dissipation (27mW/Ch Typical)

* 48-Lead (7mm x 7mm) LQFP Package

Elecena nie prowadzi sprzedaży elementów elektronicznych, ani w niej nie pośredniczy.

Produkt pochodzi z oferty sklepu