elecena.pl

2-Phase, D-CAP+™ Step-Down Controller for Intel VR13 CPU VCORE and DDR Memory

Texas Instruments

2-Phase, D-CAP+™ Step-Down Controller for Intel VR13 CPU VCORE and DDR Memory RSS Sample
  • Darmowa próbka
MPN:
TPS53627
Producent:
TEXAS INSTRUMENTS
Dodany do bazy:
Ostatnio widziany:

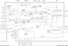
The TPS53627 device is a driverless, VR13 SVID compliant, synchronous buck controller. Advanced control features such as D-CAP+ ™architecture with overlapping pulse support undershoot reduction (USR) and overshoot reduction (OSR) to provide fast transient response, lowest output capacitance and high efficiency. The device also supports single-phase operation in CCM and DCM operation for light-load efficiency boost. The device integrates a full set of VR13 I/O features including VRREADY (PGOOD), ALERT and VRHOT. The SVID interface address allows programming from 00h to 07h. Adjustable control of VOUT slew rate can be programmed as high as 20mV/uS.

Paired with the TI NexFET™ Power Stage, this total solution delivers exceptionally high speed and low switching loss.

The TPS53627 device package is a space saving, thermally enhanced 32-pin VQFN package that operates from –40°C to +105°C.

Elecena nie prowadzi sprzedaży elementów elektronicznych, ani w niej nie pośredniczy.

Produkt pochodzi z oferty sklepu