elecena.pl

20V, 500mA, Ultralow Noise, Ultrahigh PSRR Linear Regulator with VIOC Control

Analog Devices

20V, 500mA, Ultralow Noise, Ultrahigh PSRR Linear Regulator with VIOC Control RSS Sample
  • Darmowa próbka
MPN:
LT3045-1
Producent:
ANALOG DEVICES
Dodany do bazy:
Ostatnio widziany:
Zmiana ceny:
-100% (21.01.2025)
Poprzednia cena:
3.37

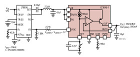
The LT3045-1 is a high performance low dropout linear regulator featuring LTC’s ultralow noise and ultrahigh PSRR architecture for powering noise sensitive applications. Designed as a precision current reference followed by a high performance voltage buffer, the LT3045-1 can be easily paralleled to further reduce noise, increase output current and spread heat on the PCB. In addition to the LT3045 feature set, the LT3045-1 incorporates a VIOC tracking function to control an upstream switching converter to maintain a constant voltage across the LT3045-1 and hence minimize power dissipation.

The device supplies 500mA at a typical 260mV dropout voltage. Operating quiescent current is nominally 2.3mA and drops to <<1μA in shutdown. The LT3045-1’s wide output voltage range (0V to 15V) while maintaining unity-gain operation provides virtually constant output noise, PSRR, bandwidth and load regulation, independent of the programmed output voltage. Additionally, the regulator features programmable current limit, fast start-up capability and programmable power good to indicate output voltage regulation.

The LT3045-1 is stable with a minimum 10μF ceramic output capacitor. Built-in protection includes reverse battery protection, reverse current protection, internal current limit with foldback and thermal limit with hysteresis. The LT3045-1 is available in thermally enhanced 12-Lead MSOP and 3mm × 3mm DFN packages.

VIOC Function

LT3045-1

Yes

LT3045

No

Applications

* RF Power Supplies: PLLs, VCOs, Mixers, LNAs, PAs

* Very Low Noise Instrumentation

* High Speed/High Precision Data Converters

* Medical Applications: Imaging, Diagnostics

* Post-Regulator for Switching Supplies

* Ultralow RMS Noise: 0.8μVRMS (10Hz to 100kHz)

* Ultralow Spot Noise: 2nV/√Hz at 10kHz

* Ultrahigh PSRR: 76dB at 1MHz

* Output Current: 500mA

* Wide Input Voltage Range: 1.8V to 20V

* Single Capacitor Improves Noise and PSRR

* 100μA SET Pin Current: ±1% Initial Accuracy

* VIOC Pin Controls Upstream Regulator to Minimize Power Dissipation

* Single Resistor Programs Output Voltage

* Programmable Current Limit

Elecena nie prowadzi sprzedaży elementów elektronicznych, ani w niej nie pośredniczy.

Produkt pochodzi z oferty sklepu