elecena.pl

Poly Phase Multi-functional Metering IC With Serial Port

Analog Devices

Poly Phase Multi-functional Metering IC With Serial Port RSS Sample
  • Darmowa próbka
MPN:
ADE7754
Producent:
ANALOG DEVICES
Dodany do bazy:
Ostatnio widziany:
Zmiana ceny:
-100% (18.01.2025)
Poprzednia cena:
7.49

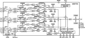
The ADE7754 is the electricity industry's first digitally calibrated, multi-function energy measurement IC programmable for all types of 3-phase grid configurations. This single chip solution measures active and apparent energy and provides a serial port interface and a pulse output. The ADE7754 transducer interface uses three fully differential current inputs and three single-ended voltage inputs. The six ADC’s digitize the signals so that all signal processing is done in the digital domain for superior stability and accuracy. The ADE7754 includes reference circuitry, temperature sensor, and all the signal processing required to perform active and apparent energy measurement as well as RMS calculation on all current and voltage channels. Additional power quality measurements are included.

The ADE7754 surpasses the IEC61036/60687 accuracy requirements and provides an SPI interface for digital calibration and reading register data.

The ADE7754 is available in 24-lead SOIC package.

NOTE: If your application requires the measurement of reactive energy and information per phase, the ADE7758 is recommended.

* Exceeds IEC61036/60687

* Less than 0.1% error in Active Energy over dynamic range of 1000:1

* Active and Apparent Energy, Vrms and Irms measurements

* High Frequency pulse output

* Voltage SAG and Zero-crossing

Elecena nie prowadzi sprzedaży elementów elektronicznych, ani w niej nie pośredniczy.

Produkt pochodzi z oferty sklepu