elecena.pl

Polyphase Energy Metering IC with Phase Drop Indication

Analog Devices

Polyphase Energy Metering IC with Phase Drop Indication RSS Sample
  • Darmowa próbka
MPN:
ADE7762
Producent:
ANALOG DEVICES
Dodany do bazy:
Ostatnio widziany:

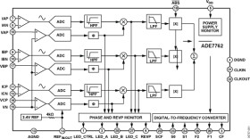
The ADE7762 is a high accuracy polyphase electrical energy measurement IC. The ADE7762 specifications surpass the accuracy requirements as quoted in the IEC62053-21 standard.

The only analog circuitry used in the ADE7762 is in the analog-to-digital converters (ADCs) and reference circuit. All other signal processing (for example, multiplication, filtering, and summation) is carried out in the digital domain. This approach provides superior stability and accuracy over extremes in environmental conditions and over time.

The ADE7762 supplies average active power information on the low frequency outputs, F1 and F2. These logic outputs can be used to directly drive an electromechanical counter or to interface with a microcontroller (MCU). The CF logic output gives instantaneous active power information. This output is intended to be used for calibration purposes.

The ADE7762 includes a power supply monitoring circuit on the VDD pin. The ADE7762 remains inactive until the supply voltage on VDD reaches 4 V. If the supply falls below 4 V, the ADE7762 resets and no pulses are issued on F1, F2, and CF.

A multiple multiplexed logic output provides phase dropout per phase, reverse polarity per phase, and a phase sequence error. Internal phase matching circuitry ensures that the voltage and current channels are phase matched. An internal no load threshold ensures that the ADE7762 does not exhibit any creep when there is no load.

The ADE7762 is available in a 28-lead SOIC package.

* High accuracy supports 50 Hz/60 Hz IEC 62053-21

* Less than 0.1% error over a dynamic range of 500 to 1

* Compatible with 3-phase, 3-wire delta and 3-phase, 4-wire Wye configurations

* Supplies average active power on the frequency outputs F1 and F2

* High frequency output (CF) is intended for calibration and supplies instantaneous active power

* Logic output REVP indicates a potential miswiring or negative power on the sum of all phases

Elecena nie prowadzi sprzedaży elementów elektronicznych, ani w niej nie pośredniczy.

Produkt pochodzi z oferty sklepu