elecena.pl

Stand Alone 1cell 3A Fast charger with High input voltage and Power Path

Texas Instruments

Stand Alone 1cell 3A Fast charger with High input voltage and Power Path RSS Sample
  • Darmowa próbka
MPN:
BQ25606
Producent:
TEXAS INSTRUMENTS
Dodany do bazy:
Ostatnio widziany:

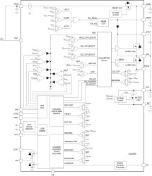
The BQ25606 is a highly-integrated standalone 3.0-A switch-mode battery charge management and system power path management device for single cell Li-ion and Li-polymer batteries. The solution is highly integrated with input reverse-blocking FET (RBFET, Q1), high-side switching FET (HSFET, Q2), low-side switching FET (LSFET, Q3), and battery FET (BATFET, Q4) between system and battery. The low impedance power path optimizes switch-mode operation efficiency, reduces battery charging time, and extends battery life during discharging phase.

The BQ25606 features fast charging with high input voltage support for a wide range of standalone chargers and portable devices. Its input voltage and current regulation deliver maximum charging power to the battery. It also integrates a bootstrap diode for the high-side gate drive for simplified system design.

The device supports a wide range of input sources, including standard USB host port, USB charging port, and USB compliant high voltage adapter. The device sets the default input current limit based on the built-in USB interface. The device is compliant with the USB 2.0 and USB 3.0 power specs with input current and voltage regulation. When the built-in USB interface identifies the input adaptor is unknown, the input current limit of the device is determined by the ILIM pin setting resistor value. The device also meets the USB On-the-Go (OTG) operation power rating specification by supplying 5.15 V on VBUS with a constant current limit up to 1.2 A.

The power path management regulates the system slightly above battery voltage but does not drop below the 3.5-V minimum system voltage. With this feature, the system maintains operation even when the battery is completely depleted or removed. When the input current limit or voltage limit is reached, the power path management automatically reduces the charge current. As the system load continues to increase, the power path discharges the battery until the system power requirement is met. This Supplement mode prevents overloading the input source.

The device initiates and completes a charging cycle without software control. It senses battery voltage and charges the battery in three phases: pre-conditioning, constant current, and constant voltage. At the end of the charging cycle, the charger automatically terminates when the charge current is below a preset limit and the battery voltage is higher than the recharge threshold. If the fully charged battery falls below the recharge threshold, the charger automatically starts another charging cycle.

The charger provides various safety features for battery charging and system operations including: battery negative temperature coefficient thermistor monitoring, charging safety timer, and overvoltage and overcurrent protections. The thermal regulation reduces charge current when the junction temperature exceeds 110°C. The STAT output reports charging status and any fault conditions. Other safety features include battery temperature sensing for charge and boost mode, thermal regulation and thermal shutdown, and input UVLO and overvoltage protection.

The device is available in a 24-pin, 4 mm x 4 mm QFN package.

Elecena nie prowadzi sprzedaży elementów elektronicznych, ani w niej nie pośredniczy.

Produkt pochodzi z oferty sklepu