elecena.pl

Dual input microphone preamplifier with noise suppression

Texas Instruments

Dual input microphone preamplifier with noise suppression RSS Sample
  • Darmowa próbka
MPN:
LMV1091
Producent:
TEXAS INSTRUMENTS
Dodany do bazy:
Ostatnio widziany:

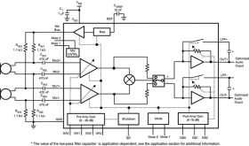
The LMV1091 is a fully analog dual differential input, differential output, microphone array amplifier designed to reduce background acoustic noise, while delivering superb speech clarity in voice communication applications.

The LMV1091 preserves near-field voice signals within 4cm of the microphones while rejecting far-field acoustic noise greater than 50cm from the microphones. Up to 20dB of far-field rejection is possible in a properly configured and using ±0.5dB matched micropohones.

Part of the Powerwise™ family of energy efficient solutions, the LMV1091 consumes only 600μA of supply current providing superior performance over DSP solutions consuming greater than ten times the power.

The dual microphone inputs and the processed signal output are differential to provide excellent noise immunity. The microphones are biased with an internal low-noise bias supply.

Elecena nie prowadzi sprzedaży elementów elektronicznych, ani w niej nie pośredniczy.

Produkt pochodzi z oferty sklepu