elecena.pl

3 417.50 PLN 586.54 PLN
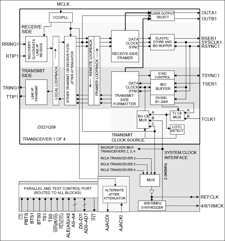
  1. E1 Quad Transceiver Sample
    Do sklepu »

    E1 Quad Transceiver

    ... four E1 lines. The DS21Q59 is a direct replacement ...
    • Darmowa próbka
    Sklep:
    Analog Devices
    Producent:
    ANALOG DEVICES
    MPN:
    DS21Q59
    Dodany:
  2. Ceny od 250 zł
  3. 417.50
    Do sklepu »

    DS21Q59L

    UKŁAD SCALONY TXRX E1 QUAD 3.3V 100LQFP
    Sklep:
    Elektronik-Service
    Producent:
    MAXIM INTEGRATED PRODUCTS INC.
    MPN:
    IMP-130537
    Obudowa:
    LQFP100
    Dodany:
  4. Ceny od 500 zł
  5. 586.54
    Do sklepu »

    DS21Q59LN

    UKŁAD SCALONY TELECOM INTERFACE QUAD E1ANSCEIVER
    Sklep:
    Elektronik-Service
    Producent:
    MAXIM INTEGRATED PRODUCTS INC.
    MPN:
    IMP-130538
    Dodany: