elecena.pl

1 0.00 PLN 0.00 PLN
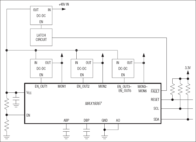
  1. 6-Channel, Flash-Configurable System Manager with Nonvolatile Fault Registers Sample
    Do sklepu »

    6-Channel, Flash-Configurable System Manager with Nonvolatile Fault Registers

    ... configures the MAX16067. The MAX16067 is available ...
    • Darmowa próbka
    Sklep:
    Analog Devices
    Producent:
    ANALOG DEVICES
    MPN:
    MAX16067
    Dodany: