elecena.pl

2 377.97 PLN 377.97 PLN
  1. Quad, Ultra-Low-Power, 200Mbps ATE Drivers/Comparators Sample
    Do sklepu »

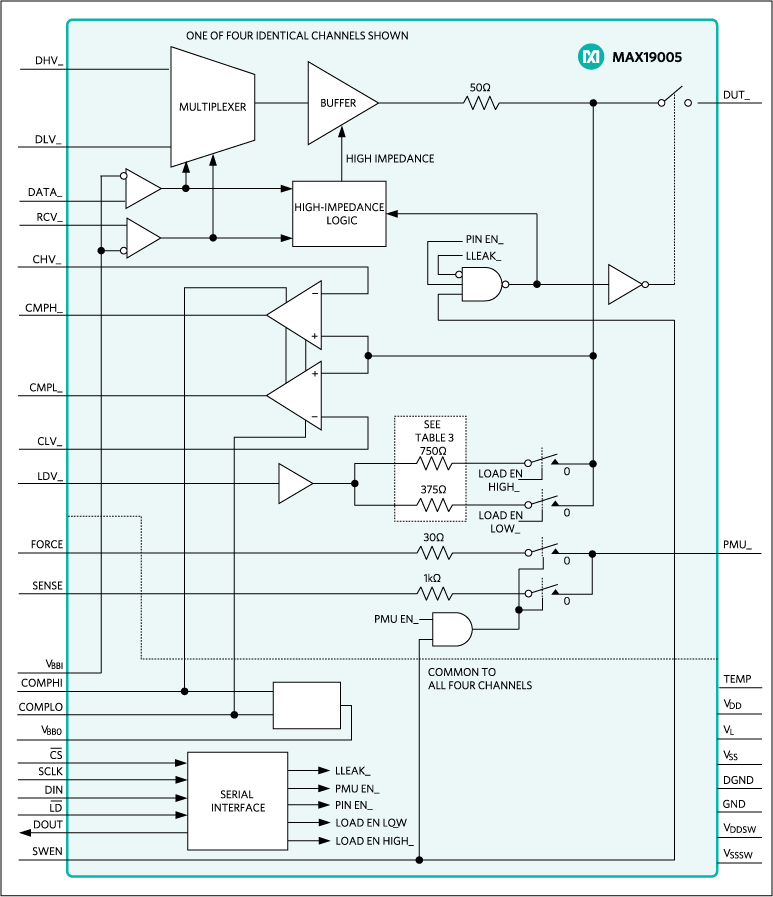
    Quad, Ultra-Low-Power, 200Mbps ATE Drivers/Comparators

    The MAX19005 four-channel, ultra-low-power, ...
    • Darmowa próbka
    Sklep:
    Analog Devices
    Producent:
    ANALOG DEVICES
    MPN:
    MAX19005
    Dodany:
    Zmiana ceny:
    -100%
  2. Ceny od 250 zł
  3. 377.97
    Do sklepu »

    MAX19005CCS

    UKŁAD SCALONY ANALOG TO DIGITAL CONVERTERS - ADC ...
    Sklep:
    Elektronik-Service
    Producent:
    MAXIM INTEGRATED PRODUCTS INC.
    MPN:
    IMP-162081
    Dodany: