elecena.pl

2 0.00 PLN 0.00 PLN
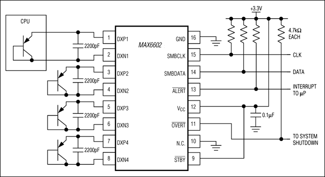
  1. Five-Channel Precision Temperature Monitor Sample
    Do sklepu »

    Five-Channel Precision Temperature Monitor

    ... alarm thresholds. The MAX6602 is specified for ...
    • Darmowa próbka
    Sklep:
    Analog Devices
    Producent:
    ANALOG DEVICES
    MPN:
    MAX6602
    Dodany:
    Zmiana ceny:
    -100%
  2. 5-Channel Precision Temperature Monitor Sample
    Do sklepu »

    5-Channel Precision Temperature Monitor

    ... - and Register-Compatible with MAX6602
    • Darmowa próbka
    Sklep:
    Analog Devices
    Producent:
    ANALOG DEVICES
    MPN:
    MAX6622
    Dodany:
    Zmiana ceny:
    -100%