elecena.pl

2 36.28 PLN 36.28 PLN
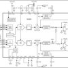
  1. Stereo Audio DAC with DirectDrive® Headphone Amplifier Sample
    Do sklepu »

    Stereo Audio DAC with DirectDrive® Headphone Amplifier

    ... slave modes, making the MAX9850 the easiest to use ...
    • Darmowa próbka
    Sklep:
    Analog Devices
    Producent:
    ANALOG DEVICES
    MPN:
    MAX9850
    Dodany:
    Zmiana ceny:
    -100%
  2. Ceny od 25 zł
  3. 36.28
    Do sklepu »

    MAX9850ETI

    UKŁAD SCALONY COMPARATOR OD 8-DIP
    Sklep:
    Elektronik-Service
    Producent:
    MAXIM INTEGRATED PRODUCTS INC.
    MPN:
    IMP-170064
    Obudowa:
    DIP8
    Dodany: