elecena.pl

40 8.37 PLN 3165.63 PLN
  1. Quad Matched Resistor Network Sample
    Do sklepu »

    Quad Matched Resistor Network

    The LT5400 is a quad resistor network with ...
    • Darmowa próbka
    Sklep:
    Analog Devices
    Producent:
    ANALOG DEVICES
    MPN:
    LT5400
    Dodany:
    Zmiana ceny:
    -100%
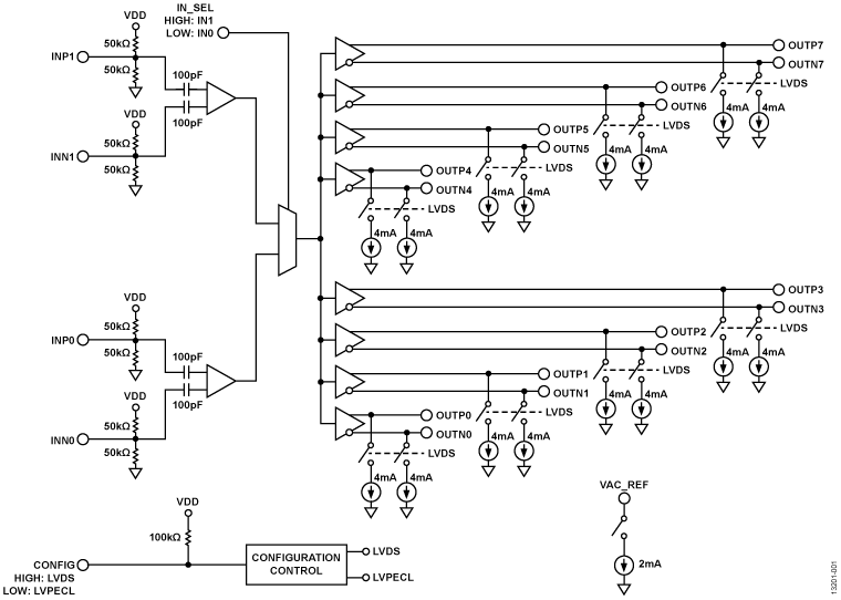
  2. Low Noise, 2:8 Differential, Fanout Buffer Sample
    Do sklepu »

    Low Noise, 2:8 Differential, Fanout Buffer

    The HMC6832 is an input selectable, 2:8 ...
    • Darmowa próbka
    Sklep:
    Analog Devices
    Producent:
    ANALOG DEVICES
    MPN:
    HMC6832
    Dodany:
  3. Fractional-N PLL with Integrated VCO 25 MHz to 3000 MHz Sample
    Do sklepu »

    Fractional-N PLL with Integrated VCO 25 MHz to 3000 MHz

    The HMC832A is a 3.3 V, high performance, wideband ...
    • Darmowa próbka
    Sklep:
    Analog Devices
    Producent:
    ANALOG DEVICES
    MPN:
    HMC832A
    Dodany:
  4. 8.37
    Do sklepu »

    T1210T-8FP Logic Level 12A TRIAC

    Available in through-hole fullpack package, the ...
    • Sklep zagraniczny (2.06 USD)
    Sklep:
    STMicroelectronics
    Producent:
    STMicroelectronics
    MPN:
    T1210T-8FP
    Dodany:
    Zmiana ceny:
    -6%
    10+ szt.:
    1.01
    100+ szt.:
    0.91
    500+ szt.:
    0.73
  5. Ceny od 25 zł
  6. Adafruit Red Electroluminescent (EL) Wire - 2.5 meters 28.80
    Do sklepu »

    Adafruit Red Electroluminescent (EL) Wire - 2.5 meters

    Electroluminescent wire, or EL Wire, is a stiff ...
    • Sklep zagraniczny (6.75 EUR)
    Sklep:
    Opencircuit
    Producent:
    Adafruit
    MPN:
    403
    Dodany:
    Zmiana ceny:
    +32%
  7. High Brightness Red Electroluminescent (EL) Wire - 2.5 meters (High brightness, long life) 30.00
    Do sklepu »

    High Brightness Red Electroluminescent (EL) Wire - 2.5 meters (High brightness, long life)

    EL Wire, also known as Electroluminescent wire is ...
    • Sklep zagraniczny (5.80 GBP)
    Sklep:
    The Pi Hut
    Producent:
    THE PI HUT
    Dodany:
    Zmiana ceny:
    +1.75%
  8. High Brightness Pink Electroluminescent (EL) Wire - 2.5 meters (High brightness, long life) 30.00
    Do sklepu »

    High Brightness Pink Electroluminescent (EL) Wire - 2.5 meters (High brightness, long life)

    EL Wire, also known as Electroluminescent wire is ...
    • Sklep zagraniczny (5.80 GBP)
    Sklep:
    The Pi Hut
    Producent:
    THE PI HUT
    Dodany:
    Zmiana ceny:
    +1.75%
  9. High Brightness Yellow Electroluminescent (EL) Wire - 2.5 meters (High brightness, long life) 30.00
    Do sklepu »

    High Brightness Yellow Electroluminescent (EL) Wire - 2.5 meters (High brightness, long life)

    EL Wire, also known as Electroluminescent wire is ...
    • Sklep zagraniczny (5.80 GBP)
    Sklep:
    The Pi Hut
    Producent:
    THE PI HUT
    Dodany:
    Zmiana ceny:
    +1.75%
  10. High Brightness Green Electroluminescent (EL) Wire - 2.5 meters (High brightness, long life) 30.00
    Do sklepu »

    High Brightness Green Electroluminescent (EL) Wire - 2.5 meters (High brightness, long life)

    EL Wire, also known as Electroluminescent wire is ...
    • Sklep zagraniczny (5.80 GBP)
    Sklep:
    The Pi Hut
    Producent:
    THE PI HUT
    Dodany:
    Zmiana ceny:
    +1.75%
  11. High Brightness Blue Electroluminescent (EL) Wire - 2.5 meters (High brightness, long life) 30.00
    Do sklepu »

    High Brightness Blue Electroluminescent (EL) Wire - 2.5 meters (High brightness, long life)

    EL Wire, also known as Electroluminescent wire is ...
    • Sklep zagraniczny (5.80 GBP)
    Sklep:
    The Pi Hut
    Producent:
    THE PI HUT
    Dodany:
    Zmiana ceny:
    +1.75%
  12. High Brightness Aqua Electroluminescent (EL) Wire - 2.5 meters (High brightness, long life) 30.00
    Do sklepu »

    High Brightness Aqua Electroluminescent (EL) Wire - 2.5 meters (High brightness, long life)

    EL Wire, also known as Electroluminescent wire is ...
    • Sklep zagraniczny (5.80 GBP)
    Sklep:
    The Pi Hut
    Producent:
    THE PI HUT
    Dodany:
    Zmiana ceny:
    +1.75%
  13. High Brightness White Electroluminescent (EL) Wire - 2.5 meters (High brightness, long life) 30.00
    Do sklepu »

    High Brightness White Electroluminescent (EL) Wire - 2.5 meters (High brightness, long life)

    EL Wire, also known as Electroluminescent wire is ...
    • Sklep zagraniczny (5.80 GBP)
    Sklep:
    The Pi Hut
    Producent:
    THE PI HUT
    Dodany:
    Zmiana ceny:
    +1.75%
  14. Pilot BQS246 35.00
    Do sklepu »

    Pilot BQS246

    ... sprzętem : ACCENT AT2000 ACCENT GT8813A ACCENT ...
    Sklep:
    Elter
    Producent:
    BQS
    Dodany:
  15. Adafruit EL Wire Coin Cell Mini Inverter 36.26
    Do sklepu »

    Adafruit EL Wire Coin Cell Mini Inverter

    This ultra-compact portable inverter for ...
    • Sklep zagraniczny (8.50 EUR)
    Sklep:
    Opencircuit
    Producent:
    Adafruit
    MPN:
    1350
    Dodany:
    Zmiana ceny:
    +33%
  16. 8080-F005W Flat patch cable Cat.8.1, U/FTP, 0.5m, white 39.46
    Do sklepu »

    8080-F005W Flat patch cable Cat.8.1, U/FTP, 0.5m, white

    The halogen-free Cat. 8.1 good connections® patch ...
    • Sklep zagraniczny (9.25 EUR)
    Sklep:
    reichelt elektronik
    Producent:
    GOOD CONNECTIONS
    MPN:
    8080-F005W
    GTIN13:
    4014619726042
    Dodany: