elecena.pl

8 176.15 PLN 5609.00 PLN
  1. JD-0710EU-2 Keyboard/mouse combination, wireless, layout: US, QWERTY 176.15
    Do sklepu »

    JD-0710EU-2 Keyboard/mouse combination, wireless, layout: US, QWERTY

    The CHERRY DW 3000 wireless desktop set is rock- ...
    • Sklep zagraniczny (41.29 EUR)
    Sklep:
    reichelt elektronik
    Producent:
    Cherry
    MPN:
    JD-0710EU-2
    GTIN13:
    4025112088438
    Dodany:
    Zmiana ceny:
    +11%
  2. JD-0710GB-2 Keyboard/mouse combination, wireless, layout: GB, QWERTY 220.26
    Do sklepu »

    JD-0710GB-2 Keyboard/mouse combination, wireless, layout: GB, QWERTY

    The CHERRY DW 3000 wireless desktop set is rock- ...
    • Sklep zagraniczny (51.63 EUR)
    Sklep:
    reichelt elektronik
    Producent:
    Cherry
    MPN:
    JD-0710GB-2
    GTIN13:
    4025112088421
    Dodany:
  3. Zestaw klawiatury z myszką, CHERRY DW 3000, Czarny, Bezprzewodowe, QWERTZ (niemiecka), Ergonomiczna 245.03
    Do sklepu »

    Zestaw klawiatury z myszką, CHERRY DW 3000, Czarny, Bezprzewodowe, QWERTZ (niemiecka), Ergonomiczna

    Bezprzewodowy zestaw biurkowy Cherry. CHERRY DW ...
    Sklep:
    RS Components
    Producent:
    Cherry
    MPN:
    JD-0710DE-2
    Dodany:
    Zmiana ceny:
    +3.01%
  4. Ceny od 250 zł
  5. Zestaw klawiatury z myszką, CHERRY DW 3000, Czarny, Bezprzewodowe, AZERTY (Francja), Ergonomiczna 261.23
    Do sklepu »

    Zestaw klawiatury z myszką, CHERRY DW 3000, Czarny, Bezprzewodowe, AZERTY (Francja), Ergonomiczna

    Bezprzewodowy zestaw biurkowy Cherry. CHERRY DW ...
    Sklep:
    RS Components
    Producent:
    Cherry
    MPN:
    JD-0710FR-2
    Dodany:
    Zmiana ceny:
    +3%
  6. Zestaw klawiatury z myszką, DW 3000, Czarny, Bezprzewodowe, QWERTY (USA), Standardowa, USB 275.93
    Do sklepu »

    Zestaw klawiatury z myszką, DW 3000, Czarny, Bezprzewodowe, QWERTY (USA), Standardowa, USB

    Cherry DW 3000 to solidna technologia Cherry'ego, ...
    • Zgodny z RoHS
    Sklep:
    RS Components
    Producent:
    Cherry
    MPN:
    JD-0710EU-2
    Dodany:
    Zmiana ceny:
    +3%
  7. Klawiatura bezprzewodowa, kolor: Czarny, Bezprzewodowy, QWERTY (Wielka Brytania), Cherry 293.55
    Do sklepu »

    Klawiatura bezprzewodowa, kolor: Czarny, Bezprzewodowy, QWERTY (Wielka Brytania), Cherry

    Cherry DW 3000 to solidna technologia Cherry'ego, ...
    • Zgodny z RoHS
    Sklep:
    RS Components
    Producent:
    Cherry
    MPN:
    JD-0710GB-2
    Dodany:
    Zmiana ceny:
    +3%
  8. Ceny od 2500 zł
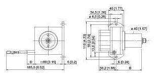
  9. Turck Czujnik przemieszczenia DW3000-110-PA-H1441 4209.00
    Do sklepu »

    Turck Czujnik przemieszczenia DW3000-110-PA-H1441

    Enkoder linkowy, zakres pomiarowy 3000 mm, zakres ...
    Sklep:
    Conrad Electronic
    Producent:
    Turck
    MPN:
    1544548
    Dodany:
    Zmiana ceny:
    -5%
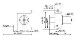
  10. Turck Czujnik przemieszczenia DW3000-110-7E-H1441 5609.00
    Do sklepu »

    Turck Czujnik przemieszczenia DW3000-110-7E-H1441

    Enkoder linkowy, zakres pomiarowy 3000 mm, zakres ...
    Sklep:
    Conrad Electronic
    Producent:
    Turck
    MPN:
    1544546
    GTIN13:
    4047101256918
    Dodany:
    Zmiana ceny:
    -5%