elecena.pl

2 41.29 PLN 41.29 PLN
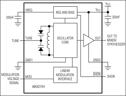
  1. 1.2GHz VCO with Linear Modulation Input Sample
    Do sklepu »

    1.2GHz VCO with Linear Modulation Input

    ... is a modest 41mW. The MAX2754 is packaged in the ...
    • Darmowa próbka
    Sklep:
    Analog Devices
    Producent:
    ANALOG DEVICES
    MPN:
    MAX2754
    Dodany:
    Zmiana ceny:
    -100%
  2. Ceny od 25 zł
  3. 41.29
    Do sklepu »

    MAX2754EUA

    UKŁAD SCALONY OSCILLATOR VOLTAGE CONTROLLED, 2.5 ...
    Sklep:
    Elektronik-Service
    Producent:
    MAXIM INTEGRATED PRODUCTS INC.
    MPN:
    IMP-162926
    Obudowa:
    UMAX8
    Dodany: