elecena.pl

750 0.00 PLN 0.00 PLN
  1. TPS62130A-Q1 3 to 17-V 3-A Automotive Step-Down Converter in 3 × 3 QFN Package Sample
    Do sklepu »

    TPS62130A-Q1 3 to 17-V 3-A Automotive Step-Down Converter in 3 × 3 QFN Package

    ... or in tracking configurations. Power sequencing ...
    • Darmowa próbka
    Sklep:
    Texas Instruments
    Producent:
    TEXAS INSTRUMENTS
    MPN:
    TPS62130A-Q1
    Dodany:
  2. 4A Synchronous Step Down Converter with DCS Control Sample
    Do sklepu »

    4A Synchronous Step Down Converter with DCS Control

    ... device allows voltage tracking to other voltage ...
    • Darmowa próbka
    Sklep:
    Texas Instruments
    Producent:
    TEXAS INSTRUMENTS
    MPN:
    TPS62095
    Dodany:
  3. High Voltage, High Current Buck-Boost Battery Charge Controller with Maximum Power Point Tracking (MPPT) Sample
    Do sklepu »

    High Voltage, High Current Buck-Boost Battery Charge Controller with Maximum Power Point Tracking (MPPT)

    ... maximum power point tracking (MPPT) for solar ...
    • Darmowa próbka
    Sklep:
    Analog Devices
    Producent:
    ANALOG DEVICES
    MPN:
    LT8490
    Dodany:
    Zmiana ceny:
    -100%
  4. Automotive 2-bit bidirectional voltage-level translator for open-drain and push-pull application Sample
    Do sklepu »

    Automotive 2-bit bidirectional voltage-level translator for open-drain and push-pull application

    ... to VCCB. This tracking allows for low-voltage ...
    • Darmowa próbka
    Sklep:
    Texas Instruments
    Producent:
    TEXAS INSTRUMENTS
    MPN:
    TXS0102-Q1
    Dodany:
  5. 3.5 - 60V, 500mA Synchronous Step-Down Voltage Converter Sample
    Do sklepu »

    3.5 - 60V, 500mA Synchronous Step-Down Voltage Converter

    ... soft start, and tracking provide a flexible ...
    • Darmowa próbka
    Sklep:
    Texas Instruments
    Producent:
    TEXAS INSTRUMENTS
    MPN:
    LM46000
    Dodany:
  6. 3.5 to 60V, 1A Synchronous Step-Down Voltage Converter Sample
    Do sklepu »

    3.5 to 60V, 1A Synchronous Step-Down Voltage Converter

    ... soft start, and tracking provide a flexible ...
    • Darmowa próbka
    Sklep:
    Texas Instruments
    Producent:
    TEXAS INSTRUMENTS
    MPN:
    LM46001
    Dodany:
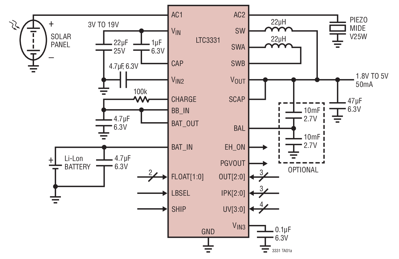
  7. Nanopower Buck-Boost DC/DC with Energy Harvesting Battery Charger Sample
    Do sklepu »

    Nanopower Buck-Boost DC/DC with Energy Harvesting Battery Charger

    ... Devices * Mobile Asset Tracking * Dual Input ...
    • Darmowa próbka
    Sklep:
    Analog Devices
    Producent:
    ANALOG DEVICES
    MPN:
    LTC3331
    Dodany:
    Zmiana ceny:
    -100%
  8. TPS54060-EP- 0.5-A, 60V Step Down DC/DC Converter with Eco-Mode Sample
    Do sklepu »

    TPS54060-EP- 0.5-A, 60V Step Down DC/DC Converter with Eco-Mode

    ... configured for sequencing/tracking. An open-drain ...
    • Darmowa próbka
    Sklep:
    Texas Instruments
    Producent:
    TEXAS INSTRUMENTS
    MPN:
    TPS54060-EP
    Dodany:
  9. 2500 V/μs Slew Rate, High Voltage, 1 A Output Drive Amplifier Sample
    Do sklepu »

    2500 V/μs Slew Rate, High Voltage, 1 A Output Drive Amplifier

    ... Applications * Envelope tracking * Power FET ...
    • Darmowa próbka
    Sklep:
    Analog Devices
    Producent:
    ANALOG DEVICES
    MPN:
    ADA4870
    Dodany:
  10. Easy To Use, Low Power, Sub GH, ISM/SRD, FSK/GFSK, Transceiver IC Sample
    Do sklepu »

    Easy To Use, Low Power, Sub GH, ISM/SRD, FSK/GFSK, Transceiver IC

    ... automation * Asset tracking * Process and ...
    • Darmowa próbka
    Sklep:
    Analog Devices
    Producent:
    ANALOG DEVICES
    MPN:
    ADF7024
    Dodany:
    Zmiana ceny:
    -100%
  11. 3.5V to 36V, 500mA Synchronous Step-Down Voltage Converter Sample
    Do sklepu »

    3.5V to 36V, 500mA Synchronous Step-Down Voltage Converter

    ... soft start, and tracking provide a flexible ...
    • Darmowa próbka
    Sklep:
    Texas Instruments
    Producent:
    TEXAS INSTRUMENTS
    MPN:
    LM43600
    Dodany:
  12. 3.5V to 36V, 1A Synchronous Step-Down Voltage Converter Sample
    Do sklepu »

    3.5V to 36V, 1A Synchronous Step-Down Voltage Converter

    ... soft start, and tracking provide a flexible ...
    • Darmowa próbka
    Sklep:
    Texas Instruments
    Producent:
    TEXAS INSTRUMENTS
    MPN:
    LM43601
    Dodany:
  13. Automotive 4.5V to 60V Input 5A Step-Down DC-DC Converter With Soft-Start and Eco-mode™ Sample
    Do sklepu »

    Automotive 4.5V to 60V Input 5A Step-Down DC-DC Converter With Soft-Start and Eco-mode™

    ... configures sequencing or tracking. An open-drain ...
    • Darmowa próbka
    Sklep:
    Texas Instruments
    Producent:
    TEXAS INSTRUMENTS
    MPN:
    TPS54561-Q1
    Dodany:
  14. Low I, Synchronous Step-Down Controller with 24V Output Voltage Capability Sample
    Do sklepu »

    Low I, Synchronous Step-Down Controller with 24V Output Voltage Capability

    ... Voltage Soft-Start or Tracking* Power Good Output ...
    • Darmowa próbka
    Sklep:
    Analog Devices
    Producent:
    ANALOG DEVICES
    MPN:
    LTC3807
    Dodany:
    Zmiana ceny:
    -100%
  15. 4-channel 16-bit capacitance-to-digital converter with active shield driver for EMC protection Sample
    Do sklepu »

    4-channel 16-bit capacitance-to-digital converter with active shield driver for EMC protection

    ... capacitor for tracking environmental changes ...
    • Darmowa próbka
    Sklep:
    Texas Instruments
    Producent:
    TEXAS INSTRUMENTS
    MPN:
    FDC1004
    Dodany: