elecena.pl

750 5.72 PLN 3201.07 PLN
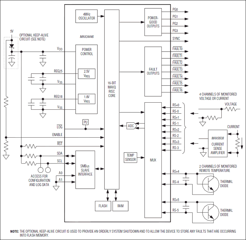
  1. PMBus Power-Supply Data Logger Sample
    Do sklepu »

    PMBus Power-Supply Data Logger

    The MAX34446 data logger for power supplies can ...
    • Darmowa próbka
    Sklep:
    Analog Devices
    Producent:
    ANALOG DEVICES
    MPN:
    MAX34446
    Dodany:
    Zmiana ceny:
    -100%
  2. 80°C Temperature Data Logger with External Thermistor Probe Sample
    Do sklepu »

    80°C Temperature Data Logger with External Thermistor Probe

    ... of a container and the logger module is placed in ...
    • Darmowa próbka
    Sklep:
    Analog Devices
    Producent:
    ANALOG DEVICES
    MPN:
    MAX66960
    Dodany:
  3. Data logger, temperature, SD card, Extech TM500 5.72
    Do sklepu »

    Data logger, temperature, SD card, Extech TM500

    • Sklep zagraniczny (1.34 EUR)
    Sklep:
    Bürklin Elektronik
    Producent:
    EXTECH
    MPN:
    TM500
    Dodany:
    Zmiana ceny:
    +34%
    5+ szt.:
    1.20
  4. Przewód D-Sub 9F/9M 6.00
    Do sklepu »

    Przewód D-Sub 9F/9M

    ... Interface'u Season/Logger, - lub innych urządzeń ...
    Sklep:
    Eliptor
    Producent:
    RCA (Thomson)
    Dodany:
    5+ szt.:
    5.50
    10+ szt.:
    5.00
  5. SparkFun Gas Sensor Breakout 6.09
    Do sklepu »

    SparkFun Gas Sensor Breakout

    ... , or environmental data logger, you will need ...
    • Sklep zagraniczny (1.50 USD)
    Sklep:
    Sparkfun
    MPN:
    BOB-08891
    Dodany:
    Zmiana ceny:
    +33%
  6. Przewód D-Sub 9F/9M 3m 8.00
    Do sklepu »

    Przewód D-Sub 9F/9M 3m

    ... Interface'u Season/Logger, - lub innych urządzeń ...
    Sklep:
    Eliptor
    Producent:
    RCA (Thomson)
    Dodany:
    Zmiana ceny:
    +33%
    5+ szt.:
    7.50
    10+ szt.:
    6.00
  7. Ceny od 10 zł
  8. IP68 Waterproof 5-pin Aviation Connector/Cable Plug SPI1310/P 10.56
    Do sklepu »

    IP68 Waterproof 5-pin Aviation Connector/Cable Plug SPI1310/P

    ... Sensor Hub 4G Data Logger has 4 waterproof ...
    • Sklep zagraniczny (2.60 USD)
    Sklep:
    Seeed Technology
    Dodany:
  9. Moduł rejestratora danych DataLog Shield Data Logger do Arduino UNO z kartą SD 13.28
    Do sklepu »

    Moduł rejestratora danych DataLog Shield Data Logger do Arduino UNO z kartą SD

    Sklep:
    Banggood
    Dodany:
    Zmiana ceny:
    +0.38%
  10. Shield Data Logger RTC DS1307 slot SD Arduino UNO rejestrator danych 14.75
    Do sklepu »

    Shield Data Logger RTC DS1307 slot SD Arduino UNO rejestrator danych

    Nakładka kompatybilna z Arduino UNO do ...
    Sklep:
    Elektroweb
    GTIN13:
    5904162801947
    Dodany:
    Zmiana ceny:
    -10%
  11. Opencircuit Data logger shield 15.36
    Do sklepu »

    Opencircuit Data logger shield

    This data logger shield contains an SD card ...
    • Sklep zagraniczny (3.60 EUR)
    Sklep:
    Opencircuit
    Producent:
    Opencircuit
    Dodany:
    Zmiana ceny:
    -40%
  12. RTC Data Logger Shield 15.84
    Do sklepu »

    RTC Data Logger Shield

    The RTC Data Logger shield adds storage to an ...
    • Sklep zagraniczny (3.90 USD)
    Sklep:
    Elecrow
    MPN:
    ASC7503RTC
    Dodany:
    Zmiana ceny:
    -56%
  13. Grove - AHT20 I2C Industrial Grade Temperature and Humidity Sensor 18.28
    Do sklepu »

    Grove - AHT20 I2C Industrial Grade Temperature and Humidity Sensor

    ... controller and S2100 data logger, you can easily ...
    • Sklep zagraniczny (4.50 USD)
    Sklep:
    Seeed Technology
    Dodany:
    Zmiana ceny:
    +11%
  14. I1CS300 Single-use data logger, TEMPMATE.®-i1, 15° - 25°C, IP67 18.51
    Do sklepu »

    I1CS300 Single-use data logger, TEMPMATE.®-i1, 15° - 25°C, IP67

    Single-use temperature indicator for reliable and ...
    • Sklep zagraniczny (4.34 EUR)
    Sklep:
    reichelt elektronik
    Producent:
    tempmate
    MPN:
    I1CS300
    GTIN13:
    4260531770278
    Dodany:
    Zmiana ceny:
    +5%
  15. I1CS800 Single-use data logger, TEMPMATE.®-i1, 5° - 36°C, IP67 18.51
    Do sklepu »

    I1CS800 Single-use data logger, TEMPMATE.®-i1, 5° - 36°C, IP67

    Single-use temperature indicator for reliable and ...
    • Sklep zagraniczny (4.34 EUR)
    Sklep:
    reichelt elektronik
    Producent:
    tempmate
    MPN:
    I1CS800
    GTIN13:
    4260531770315
    Dodany:
    Zmiana ceny:
    +5%
  16. I1CS200 Single-use data logger, TEMPMATE.®-i1, 0° - 15°C, IP67 18.51
    Do sklepu »

    I1CS200 Single-use data logger, TEMPMATE.®-i1, 0° - 15°C, IP67

    Single-use temperature indicator for reliable and ...
    • Sklep zagraniczny (4.34 EUR)
    Sklep:
    reichelt elektronik
    Producent:
    tempmate
    MPN:
    I1CS200
    GTIN13:
    4260531770261
    Dodany:
    Zmiana ceny:
    +5%