elecena.pl

4 53.63 PLN 59.03 PLN
  1. PON Triplexer and SFP Controller Sample
    Do sklepu »

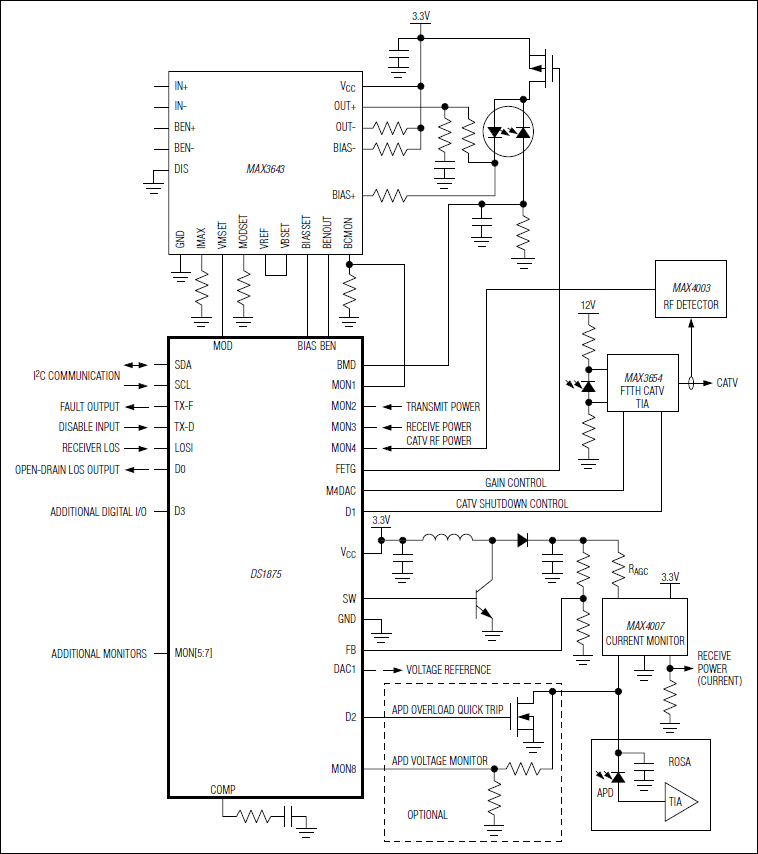
    PON Triplexer and SFP Controller

    ... combined solution of the DS1875 and the MAX3643 ...
    • Darmowa próbka
    Sklep:
    Analog Devices
    Producent:
    ANALOG DEVICES
    MPN:
    DS1875
    Dodany:
  2. Ceny od 50 zł
  3. 53.63
    Do sklepu »

    DS1875T+T&R

    UKŁAD SCALONY SFP CTRLR/TRIPLEXER 38-TQFN
    Sklep:
    Elektronik-Service
    Producent:
    MAXIM INTEGRATED PRODUCTS INC.
    MPN:
    IMP-130452
    Obudowa:
    TQFN38
    Dodany:
  4. 59.03
    Do sklepu »

    DS1875T

    UKŁAD SCALONY SFP CTRLR/TRIPLEXER 38-TQFN
    Sklep:
    Elektronik-Service
    Producent:
    MAXIM INTEGRATED PRODUCTS INC.
    MPN:
    IMP-130451
    Obudowa:
    TQFN38
    Dodany:
  5. 59.03
    Do sklepu »

    DS1875RT

    UKŁAD SCALONY RF POWER AMP BIAS CTRL, TSSOP-16
    Sklep:
    Elektronik-Service
    Producent:
    MAXIM INTEGRATED PRODUCTS INC.
    MPN:
    IMP-130450
    Obudowa:
    TSSOP16
    Dodany: