elecena.pl

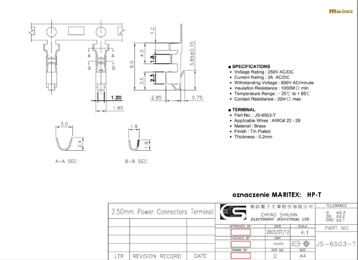
HPT-LF Metalowy styk, żeński, do wbudowania w korpusy złącz typu HP, AWG#22-28

Podgląd PDFa Kliknij, aby przejrzeć kilka stron
Metalowy styk, żeński, do wbudowania w korpusy złącz typu HP, AWG#22-28
Otwórz plik PDF » 1 stron (179 kB)
Producent:
Maritex
Szukaj produktów »