elecena.pl

  1. Podgląd PDFa
    Do dokumentacji »

    JOYSTICK30JLK-XI-12GHNS

    Rezystancja 10 kohm kąt pracy +-20 stopni; Wersja specjalna bez sprężyny powrotnej. Ma dodatkowe 2 mikroswitche. Wykonanie bez sprężyny powrotnej, zostaje w pozycji w jakiej się go ustawi. Ma mechanizm High-Torque aby przypadkowo nie zmienić us tawień; Specjalnie "ciężko" chodzi. Potencjometr standardowo 10kohm+-20% lin+-5% moc 0,1W Potencjometr zintegrowany - niewymienialny
    Producent:
    Meditronik
    Rozmiar:
    975 kB
    Stron:
    2
  2. Podgląd PDFa
    Do dokumentacji »

    JOYSTICK30JEK-YQ 101 104

    Porównanie joysticków 30JEK z rękojeścią z przyciskiem typ 101 i 104 w wersji YO, YQ
    Producent:
    Meditronik
    Rozmiar:
    912 kB
    Stron:
    2
  3. Podgląd PDFa
    Do dokumentacji »

    JOYSTICK30JBK-YX-20R2GP-202

    Producent:
    Meditronik
    Rozmiar:
    852 kB
    Stron:
    2
  4. Podgląd PDFa
    Do dokumentacji »

    JOYSTICK30JHK-ZT-30R3G

    Joystick przemysłowy na bazie potencjometrów: 3 "axis" Zamontowana sprężyna powrotna, osłona gumowa w standardzie rezystancja 10kohm dla x,y,z.Opcjonalnie:mocowanie na panel
    Producent:
    Meditronik
    Rozmiar:
    839 kB
    Stron:
    2
  5. Podgląd PDFa
    Do dokumentacji »

    JOYSTICK30JLK-XI-12GHNS

    Producent:
    Meditronik
    Rozmiar:
    539 kB
    Stron:
    2
  6. Podgląd PDFa
    Do dokumentacji »

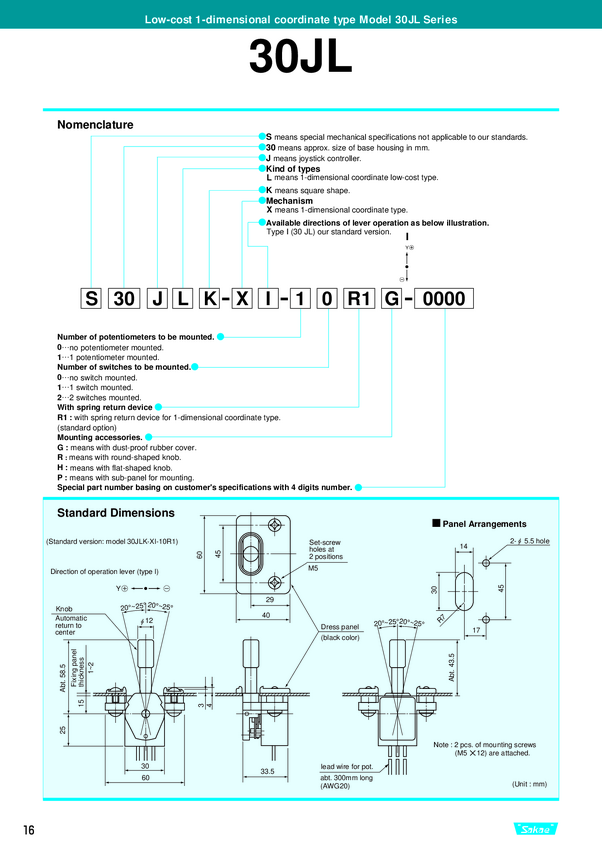
    JOYSTICK30JLK-XI-10R1

    Producent:
    Meditronik
    Rozmiar:
    452 kB
    Stron:
    10
  7. Podgląd PDFa
    Do dokumentacji »

    JOYSTICK30JLK-XI-12R1GH

    Producent:
    Meditronik
    Rozmiar:
    325 kB
    Stron:
    13
  8. Podgląd PDFa
    Do dokumentacji »

    JOYSTICK30JBK-G5

    Producent:
    Meditronik
    Rozmiar:
    112 kB
    Stron:
    2
  9. Podgląd PDFa
    Do dokumentacji »

    JOYSTICK30JBK-ZT-30R3G

    Producent:
    Meditronik
    Rozmiar:
    89 kB
    Stron:
    3
  10. Podgląd PDFa
    Do dokumentacji »

    JOYSTICK30JLK-XI-12R1GHSP

    Producent:
    Meditronik
    Rozmiar:
    76 kB
    Stron:
    2
  11. Podgląd PDFa
    Do dokumentacji »

    JOYSTICK30JBK-XI-10R1G

    Producent:
    Meditronik
    Rozmiar:
    54 kB
    Stron:
    2
  12. Podgląd PDFa
    Do dokumentacji »

    JOYSTICK30JEK-YQ-04R2

    Producent:
    Meditronik
    Rozmiar:
    51 kB
    Stron:
    2
  13. Podgląd PDFa
    Do dokumentacji »

    JOYSTICK30JHK-XI-10R1G

    Producent:
    Meditronik
    Rozmiar:
    43 kB
    Stron:
    2