elecena.pl

  1. Podgląd PDFa
    Do dokumentacji »

    J092

    J-092 Mikroprocesorowy miernik pojemności
    Producent:
    Jabel
    Rozmiar:
    3577 kB
    Stron:
    2
  2. Podgląd PDFa
    Do dokumentacji »

    J092

    J-092E Mikroprocesorowy miernik pojemności
    Producent:
    Jabel
    Rozmiar:
    3116 kB
    Stron:
    2
  3. Podgląd PDFa
    Do dokumentacji »

    AVT5500

    AVT5500 Miernik pojemności akumulatorów
    Producent:
    AVT
    Rozmiar:
    2667 kB
    Stron:
    8
  4. Podgląd PDFa
    Do dokumentacji »

    AVT2725

    AVT2725 Mikroprocesorowy miernik pojemności
    Producent:
    AVT
    Rozmiar:
    2639 kB
    Stron:
    4
  5. Podgląd PDFa
    Do dokumentacji »

    AVT5398

    AVT5398 A LCFM-1 - przenośny miernik indukcyjności, pojemności i częstotliwości - płytka drukowana
    Producent:
    AVT
    Rozmiar:
    1143 kB
    Stron:
    9
  6. Podgląd PDFa
    Do dokumentacji »

    AVT3029

    AVT3029 Pojemnościowy czujnik poziomu cieczy
    Producent:
    AVT
    Rozmiar:
    841 kB
    Stron:
    3
  7. Podgląd PDFa
    Do dokumentacji »

    AVT3056

    AVT3056 A+ Ładowarka Li - Ion z pomiarem pojemności - płytka drukowana i zaprogramowany układ
    Producent:
    AVT
    Rozmiar:
    727 kB
    Stron:
    5
  8. Podgląd PDFa
    Do dokumentacji »

    AVT3169

    AVT3169 Tester pojemności ogniw AA/AAA
    Producent:
    AVT
    Rozmiar:
    713 kB
    Stron:
    3
  9. Podgląd PDFa
    Do dokumentacji »

    AVT512

    AVT512 A+ Cyfrowy miernik pojemności - płytka drukowana i zaprogramowany układ
    Producent:
    AVT
    Rozmiar:
    667 kB
    Stron:
    6
  10. Podgląd PDFa
    Do dokumentacji »

    AVT136

    AVT136 Przystawka do pomiaru pojemności
    Producent:
    AVT
    Rozmiar:
    559 kB
    Stron:
    3
  11. Podgląd PDFa
    Do dokumentacji »

    AVT5270

    AVT5270 Mikroprocesorowy miernik pojemności ogniw AA - AAA
    Producent:
    AVT
    Rozmiar:
    550 kB
    Stron:
    3
  12. Podgląd PDFa
    Do dokumentacji »

    TL-PB15600 Power bank z serii Ally o pojemności 15600mAh

    Producent:
    Meditronik
    Rozmiar:
    440 kB
    Stron:
    2
  13. Podgląd PDFa
    Do dokumentacji »

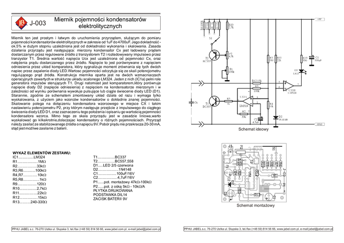
    J003

    J-003 Miernik pojemności kondensatorów elektrolitycznych
    Producent:
    Jabel
    Rozmiar:
    396 kB
    Stron:
    1
  14. Podgląd PDFa
    Do dokumentacji »

    J-003

    J-003 Miernik pojemności kondensatorów elektrolitycznych - zestaw do montażu
    Producent:
    Jabel
    Rozmiar:
    386 kB
    Stron:
    1
  15. Podgląd PDFa
    Do dokumentacji »

    SY-HC-1C

    Pojemnościowy czujnik wilgotności z obudową
    Producent:
    Samyoung Electronics
    Rozmiar:
    385 kB
    Stron:
    5
  16. Podgląd PDFa
    Do dokumentacji »

    AVT2848

    AVT2848 Miernik pojemności akumulatorów NiCd i NiMH
    Producent:
    AVT
    Rozmiar:
    362 kB
    Stron:
    3
  17. Podgląd PDFa
    Do dokumentacji »

    AVT771

    AVT771 Miernik pojemności akumulatorów NiMH i NiCd
    Producent:
    AVT
    Rozmiar:
    349 kB
    Stron:
    4
  18. Podgląd PDFa
    Do dokumentacji »

    AVT2425

    AVT2425 Miernik pojemności
    Producent:
    AVT
    Rozmiar:
    340 kB
    Stron:
    4
  19. Podgląd PDFa
    Do dokumentacji »

    C30P/00-1E

    Czujnik pojemnościowy MD Micro Detectors C30P/00-1E 1 szt.
    Producent:
    MD Micro Detectors
    Rozmiar:
    300 kB
    Stron:
    3
  20. Podgląd PDFa
    Do dokumentacji »

    C12P/00-3E

    Czujnik pojemnościowy MD Micro Detectors C12P/00-3E 1 szt.
    Producent:
    MD Micro Detectors
    Rozmiar:
    248 kB
    Stron:
    3
  21. Podgląd PDFa
    Do dokumentacji »

    263268

    Czujnik pojemnościowy Pepperl+Fuchs 263268 1 szt.
    Producent:
    Pepperl+Fuchs
    Rozmiar:
    243 kB
    Stron:
    2
  22. Podgląd PDFa
    Do dokumentacji »

    286690

    Czujnik pojemnościowy Pepperl+Fuchs 286690 1 szt.
    Producent:
    Pepperl+Fuchs
    Rozmiar:
    215 kB
    Stron:
    2
  23. Podgląd PDFa
    Do dokumentacji »

    C18P/BP-2A

    Czujnik pojemnościowy MD Micro Detectors C18P/BP-2A 1 szt.
    Producent:
    MD Micro Detectors
    Rozmiar:
    206 kB
    Stron:
    3
  24. Podgląd PDFa
    Do dokumentacji »

    C18P/BP-1A

    Czujnik pojemnościowy MD Micro Detectors C18P/BP-1A 1 szt.
    Producent:
    MD Micro Detectors
    Rozmiar:
    200 kB
    Stron:
    3