elecena.pl

5 V, Slew-Rate Limited, Low Power, 250 kbps, Full Duplex EIA RS-485 Transceiver (with DE/RE)

Analog Devices

5 V, Slew-Rate Limited, Low Power, 250 kbps, Full Duplex EIA RS-485 Transceiver (with DE/RE) RSS Sample
  • Darmowa próbka
MPN:
ADM489A
Producent:
ANALOG DEVICES
Dodany do bazy:
Ostatnio widziany:
Zmiana ceny:
-100% (18.01.2025)
Poprzednia cena:
1.21

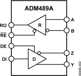
The ADM488A and ADM489A are low power, differential line transceivers suitable for communication on multipoint bus transmission lines. They are intended for balanced data transmission and comply with both RS-485 and RS-422 standards of the Electronics Industries Association (EIA). Both products contain a single differential line driver and a single differential line receiver, making them suitable for full-duplex data transfer. The ADM489A contains an additional receiver and driver enable control.

The input impedance is 12 kΩ, allowing 32 transceivers to be connected on the bus. The ADM488A/ADM489A operate from a single 5 V ± 10% power supply.

Excessive power dissipation that is caused by bus contention or output shorting is prevented by a thermal shutdown circuit. This feature forces the driver output into a high impedance state if, during fault conditions, a significant temperature increase is detected in the internal driver circuitry. The receiver contains a fail-safe feature that results in a logic high output state if the inputs are unconnected (floating).

The ADM488A/ADM489A are fabricated on BiCMOS, an advanced mixed technology process combining low power CMOS with fast switching bipolar technology.

The ADM488A/ADM489A are fully specified over the industrial temperature range and are available in SOIC and MSOP packages.

Applications

* Low power RS-485 and RS-422 systems

* DTE-DCE interface

* Packet switching

* Local area networks

* Data concentration

* Data multiplexers

* Integrated services digital network (ISDN)

* Complies with ANSI TIA/EIA-485-A-1998 and ISO 8482: 1987(E) * 250 kbps data rate * Single 5 V ± 10% supply * −7 V to +12 V bus common-mode range

Elecena nie prowadzi sprzedaży elementów elektronicznych, ani w niej nie pośredniczy.

Produkt pochodzi z oferty sklepu