elecena.pl

1200 MH TO 3600 MH Rx Mixer with Integrated Fractional-N PLL and VCO

Analog Devices

1200 MH TO 3600 MH Rx Mixer with Integrated Fractional-N PLL and VCO RSS Sample
  • Darmowa próbka
MPN:
ADRF6604
Producent:
ANALOG DEVICES
Dodany do bazy:
Ostatnio widziany:

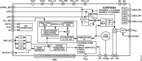
The ADRF6604 is a high dynamic range active mixer with integrated phase-locked loop (PLL) and voltage controlled oscillator (VCO). The PLL/synthesizer uses a fractional-N PLL to generate a fLO input to the mixer. The reference input can be divided or multiplied and then applied to the PLL phase frequency detector (PFD).

The PLL can support input reference frequencies from 12 MHz to 160 MHz. The PFD output controls a charge pump whose output drives an off-chip loop filter.

The loop filter output is then applied to an integrated VCO. The VCO output at 2 × fLO is applied to an LO divider, as well as to a programmable PLL divider. The programmable PLL divider is controlled by a sigma-delta (Σ-Δ) modulator (SDM). The modulus of the SDM can be programmed from 1 to 2047.

The active mixer converts the single-ended, 50 Ω RF input to a differential, 200 Ω IF output. The IF output can operate up to 500 MHz.

The ADRF6604 is fabricated using an advanced silicon-germanium BiCMOS process. It is available in a 40-lead, RoHS-compliant, 6 mm × 6 mm LFCSP with an exposed paddle. Performance is specified over the −40°C to +85°C temperature range.

APPLICATIONS

* Cellular base stations

* Rx mixer with integrated fractional-N PLL

* RF input frequency range:

1200 MHz to 3600 MHz

* Internal LO frequency range:

2500 MHz to 2900 MHz

* Input P1dB: 14.5 dBm

* Input IP3: 27.5 dBm

* IIP3 optimization via external pin

Elecena nie prowadzi sprzedaży elementów elektronicznych, ani w niej nie pośredniczy.

Produkt pochodzi z oferty sklepu