elecena.pl

12-Bit, Deep Color HDMI v1.3 Receiver with Analog Interface

Analog Devices

12-Bit, Deep Color HDMI v1.3 Receiver with Analog Interface RSS Sample
  • Darmowa próbka
MPN:
ADV7604
Producent:
ANALOG DEVICES
Dodany do bazy:
Ostatnio widziany:

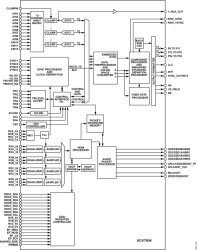
The ADV7604 is a high quality, single chip, multiformat video decoder, graphics digitizer with an integrated 4:1 multiplexed High-Definition Multimedia Interface (HDMI™) receiver.

The ADV7604 contains one main component processor (CP) that processes YPrPb and RGB component formats, including RGB graphics. The CP also processes the video signals from the HDMI receiver. The ADV7604 can operate in quad HDMI and analog input mode, thus providing simultaneous HDMI and analog video sync processing. This allows for fast switching between HDMI and the ADCs.

The ADV7604 supports the decoding of a component RGB/ YPrPb video signal into a digital YCrCb or RGB pixel output stream. The support for component video includes 525i, 625i, 525p, 625p, 720p, 1080i, 1080p, and 1250i standards as well as many other HD and SMPTE standards.

Graphics digitization is also supported by the ADV7604. The ADV7604 is capable of digitizing RGB graphics signals from VGA to UXGA rates and converting them into a digital RGB or YCrCb pixel output stream.

The ADV7604 incorporates a quad input HDMI receiver that supports all HDTV formats up to 1080p and display resolutions up to UXGA (1600 × 1200 at 60 Hz). The reception of encrypted video is possible with the inclusion of HDCP. The HDMI receiver also includes programmable/adaptive equalization that ensures robust operation of the interface with cable lengths up to 30 meters. The HDMI receiver has advanced audio functionality, such as a mute controller that prevents audible extraneous noise in the audio output.

Fabricated in an advanced CMOS process, the ADV7604 is provided in a space-saving, 260-ball, 15 mm × 15 mm, BGA surface-mount, RoHS-compliant package and is specified over the −40°C to +70°C temperature range.

Applications

* Advanced TV

* PDP HDTVs

* LCD TVs (HDTV ready)

* LCD/DLP® rear projection HDTVs

* CRT HDTVs

* LCoS™ HDTVs

* AVR video receivers

* LCD/DLP front projectors

* HDTV STBs with PVR

* CRT HDTVs

* DVD recorders with progressive scan input support

* 4 HDMI Inputs

* HDMI® 1.3 support

Audio Return Channel (ARC)

3D TV support

Content Type Bits

CEC 1.4-compatible (CECCPD and CECHPD)

* Repeater support

* HDCP 1.3 and DVI 1.0

Elecena nie prowadzi sprzedaży elementów elektronicznych, ani w niej nie pośredniczy.

Produkt pochodzi z oferty sklepu