Extended Temperature 1A Fixed Output Negative Voltage Regulator / LDO
Texas Instruments
RSS
Sample
- Darmowa próbka
- MPN:
- LM120
- Producent:
- TEXAS INSTRUMENTS
- Dodany do bazy:
- Ostatnio widziany:
Sugerowane produkty dla lm137
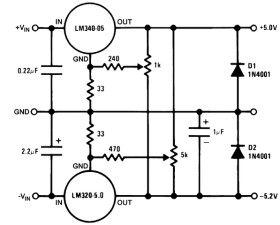
The LM120 series are three-terminal negative regulators with a fixed output voltage of −5V, −12V, and −15V, and up to 1.5A load current capability. Where other voltages are required, the LM137 and LM137HV series provide an output voltage range of −1.2V to −47V.
The LM120 need only one external component—a compensation capacitor at the output, making them easy to apply. Worst case specifications on output voltage deviation due to any combination of line, load or temperature variation assure satisfactory system operation.
Exceptional effort has been made to make the LM120 Series immune to overload conditions. The regulators have current limiting which is independent of temperature, combined with thermal overload protection. Internal current limiting protects against momentary faults while thermal shutdown prevents junction temperatures from exceeding safe limits during prolonged overloads.
Although primarily intended for fixed output voltage applications, the LM120 Series may be programmed for higher output voltages with a simple resistive divider. The low quiescent drain current of the devices allows this technique to be used with good regulation.
Elecena nie prowadzi sprzedaży elementów elektronicznych, ani w niej nie pośredniczy.
Produkt pochodzi z oferty sklepu Texas Instruments