elecena.pl

Uplink noise suppression & downlink SNR enhancement analog audio subsystem

Texas Instruments

Uplink noise suppression & downlink SNR enhancement analog audio subsystem RSS Sample
  • Darmowa próbka
MPN:
LM49155
Producent:
TEXAS INSTRUMENTS
Dodany do bazy:
Ostatnio widziany:

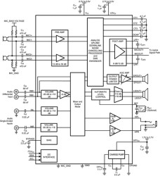
The LM49155 is a fully integrated audio subsystem designed for portable handheld applications such as cellular phones. The LM49155 combines a Noise Suppression microphone amplifier, a 1.35W mono class D amplifier with ALC, class AB earpiece driver with AGC, a high efficiency, stereo, ground referenced headphone amplifier with click pop suppression and I 2C modes select and volume control.

The LM49155 features analog fully differential input, and differential output microphone amplifier designed to reduce background acoustic noise, while delivering superb speech clarity in voice communication applications. Downlink SNR enhancement with an advanced acoustic AGC technology to adjust output levels.

The LM49155 speaker amplifier features National’s unique output limiter that provides both a no-clip feature and speaker protection. The E 2S class D amplifier features a patented, ultra low EMI PWM architecture that significantly reduces RF emissions while preserving audio quality and efficiency. The headphone drivers feature National’s ground referenced architecture that creates a ground-referenced output from a single, low-voltage supply.

The LM49155 is available in an ultra-small 36-bump micro SMD package (3.434mm x 3.459mm x 0.6mm).

Notice: This document is not a full datasheet. For more information regarding this product or to order samples please contact your local National Semiconductor sales office or visit http://www.national.com/support/dir.html

Key Specifications ■  Uplink Far Field Noise Suppression  Electrical FFNSE at f = 1kHz 34dB (typ) ■  Downlink SNR Enhancement Earpiece Amplifier   Near-Field SNR Enhancement  Downlink SNRIE 6 to 18dB (typ) 16dB (typ) ■  Class D Loudspeaker Amplifier RL = 15μH+8Ω+15μH  POUT, THD+N ≤ %, VDD = 5.0V 1.35W (typ) ■  Headphone Amplifier RL = 32Ω  POUT, THD+N ≤ %, HPVDD = 1.8V 19mW (typ)

Elecena nie prowadzi sprzedaży elementów elektronicznych, ani w niej nie pośredniczy.

Produkt pochodzi z oferty sklepu