65-V automotive 2-A shunt-PWM dimmable LED driver with Integrated NFET
Texas Instruments
RSS
Sample
- Darmowa próbka
- MPN:
- TPS92515AHV-Q1
- Producent:
- TEXAS INSTRUMENTS
- Dodany do bazy:
- Ostatnio widziany:
Sugerowane produkty dla tps92515
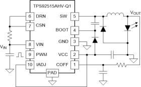
The TPS92515AHV-Q1 is a compact monolithic switching regulator that includes a low resistance N-Channel MOSFET. The device works in high-brightness LED lighting applications which require efficiency, high bandwidth, PWM or analog dimming and small size.
The regulator operates with constant off-time, peak current control. The operation is simple: after an off-time based on the output voltage, an on-time begins. The on-time ends once the inductor peak current threshold is reached. The TPS92515AHV-Q1 device can be configured to maintain a constant peak-to-peak ripple during the ON and OFF periods of a shunt FET dimming cycle. This cycle ideal for maintaining a linear response across the entire shunt-FET dimming range.
The low-offset, high-side comparator helps to create steady-state accuracy. LED current can be modulated using either analog dimming or PWM dimming, or both simultaneously. Other features include UVLO, wide input voltage operation, inherent LED Open operation and wide operating temperature range with thermal shut-down.
The TPS92515AHV-Q1 device offers high-voltage options with an input range up to 65 V in a thermally enhanced, 10-pin HVSSOP package.
Elecena nie prowadzi sprzedaży elementów elektronicznych, ani w niej nie pośredniczy.
Produkt pochodzi z oferty sklepu Texas Instruments