elecena.pl

Single Port, G.Fast 106MHz, 212MHz CPE DSL Line Driver Amplifier

Texas Instruments

Single Port, G.Fast 106MHz, 212MHz CPE DSL Line Driver Amplifier RSS Sample
  • Darmowa próbka
MPN:
THS6301
Producent:
TEXAS INSTRUMENTS
Dodany do bazy:
Ostatnio widziany:

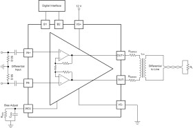
The THS6301 is a single-channel, current-feedback architecture, differential line driver that enables G.Fast and different digital subscriber line (DSL) home gateway systems. The device enables 106-MHz and 212-MHz G.Fast digital subscriber line profiles that use native discrete multitone modulation (DMT) signals. The THS6301 functions with high linearity at an 8-dBm line power through 212 MHz.

The unique architecture of this device minimizes quiescent current while providing very high linearity. Internally-fixed bias settings of the amplifier provide power savings for line-driving modes where the full performance of the amplifier is not needed. For further flexibility and power savings, the overall quiescent current is adjustable by a single external bias resistor connected to one of the device pins. The device also features two line-termination modes to maintain impedance matching at very low power consumption.

The device can also be used as a fixed-gain differential amplifier with bandwidth and power-scaling to suit the needs of differential applications.

The device is available in a 4-mm × 4-mm, 16-pin, VQFN package.

Elecena nie prowadzi sprzedaży elementów elektronicznych, ani w niej nie pośredniczy.

Produkt pochodzi z oferty sklepu