Single-Channel, 16-Bit Current and Voltage Output DAC with Dynamic Power Control and HART Connectivity
Analog Devices
RSS
Sample
- Darmowa próbka
- MPN:
- AD5753
- Producent:
- ANALOG DEVICES
- Dodany do bazy:
- Ostatnio widziany:
- Zmiana ceny:
- -100% (20.01.2025)
- Poprzednia cena:
- 7.68
Sugerowane produkty dla ad5753
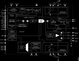
The AD5753 is a single-channel, voltage and current output digital-to-analog converter (DAC) that operates with a power supply range from a minimum of −33 V on AVSS to a maximum of +33 V on AVDD1 with a maximum operating voltage of 60 V between the two rails. On-chip dynamic power control (DPC) minimizes package power dissipation. This minimization is achieved by using buck dc-to-dc converters optimized for minimum on-chip power dissipation to regulate the voltage (VDPC+ and VDPC−) that is sent to the VIOUT output driver circuitry from the ±5 V to ±27 V supply voltage. The CHART pin enables a Highway Addressable Remote Transducer® (HART) signal to be coupled on the current output.
The AD5753 uses a versatile, 4-wire, serial peripheral interface (SPI) that operates at clock rates of up to 50 MHz and is compatible with standard SPI, QSPI™, MICROWIRE™, digital signal processor (DSP), and microcontroller interface standards. The interface features an optional SPI cyclic redundancy check (CRC) and a watchdog timer (WDT). The AD5753 offers improved diagnostic features from earlier versions of similar DACs, such as output current monitoring and an integrated, 12-bit diagnostic analog-to-digital converter (ADC). The inclusion of a line protector on the VIOUT, +VSENSE, and −VSENSE pins provides additional robustness.
PRODUCT HIGHLIGHTS
* Range of advanced diagnostic features, including integrated ADC with two external input pins.
* DPC, using integrated buck dc-to-dc converters for thermal management, which enables higher channel count in small size module housing.
* Programmable power control (PPC) mode to enable faster than DPC settling time (15 μs typical).
* Highly robust with output protection from miswire events (±38 V).
* HART compliant.
APPLICATIONS
* Process control
* Actuator control
* Channel isolated analog outputs
* Programmable logic controller (PLC) and distributed control systems (DCS) applications
* HART network connectivity
* 16-bit resolution and monotonicity* Positive and negative DPC for thermal management* Current or voltage output available on a single terminal* Current output ranges: 0 mA to 20 mA, 4 mA to 20 mA, 0 mA to 24 mA, ±20 mA, ±24 mA, and −1 mA to +22 mA* Voltage output ranges (with 20% overrange): 0 V to 5 V, 0 V to 10 V, ±5 V, and ±10 V
Elecena nie prowadzi sprzedaży elementów elektronicznych, ani w niej nie pośredniczy.
Produkt pochodzi z oferty sklepu Analog Devices