20-V, P channel NexFET™ power MOSFET, single LGA 0.6 mm x 0.7 mm, 76 mOhm, gate ESD protection
Texas Instruments
RSS
Sample
Przejdź do sklepu »
- Darmowa próbka
- MPN:
- CSD25501F3
- Producent:
- TEXAS INSTRUMENTS
- Dodany do bazy:
- Ostatnio widziany:
Sugerowane produkty dla igss
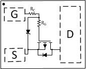
This –20V, 64mΩ, P-Channel FemtoFET™ MOSFET is designed and optimized to minimize the footprint in many handheld and mobile applications. This technology is capable of replacing standard small signal MOSFETs while providing a substantial reduction in footprint size. The integrated 10kΩ clamp resistor (RC) allows the gate voltage (VGS) to be operated above the maximum internal gate oxide value of –6V, depending on duty cycle. The gate leakage (IGSS) through the diode increases as VGS is increased above –6V.
Elecena nie prowadzi sprzedaży elementów elektronicznych, ani w niej nie pośredniczy.
Produkt pochodzi z oferty sklepu Texas Instruments