elecena.pl

48-V, 1.5-A bipolar stepper or dual-brushed motor driver with integrated current sensing

Texas Instruments

48-V, 1.5-A bipolar stepper or dual-brushed motor driver with integrated current sensing RSS Sample
  • Darmowa próbka
MPN:
DRV8436E
Producent:
TEXAS INSTRUMENTS
Dodany do bazy:
Ostatnio widziany:

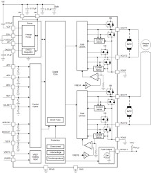
The DRV8436E/P devices are dual H-bridge motor drivers for a wide variety of industrial applications. The devices can be used for driving two DC motors, or a bipolar stepper motor. The output stage of the driver consists of N-channel power MOSFETs configured as two full H-bridges, charge pump regulator, current sensing and regulation, and protection circuitry. The integrated current sensing uses an internal current mirror architecture, removing the need for a large power shunt resistor, saving board area and reducing system cost. A low-power sleep mode is provided to achieve ultra- low quiescent current draw by shutting down most of the internal circuitry. Internal protection features are provided for supply undervoltage lockout (UVLO), charge pump undervoltage (CPUV), output overcurrent (OCP), and device overtemperature (OTSD). The DRV8436E/P is capable of driving up to 1.5-A full scale or 1.1-A rms output current per H-bridge (dependent on PCB design).

Elecena nie prowadzi sprzedaży elementów elektronicznych, ani w niej nie pośredniczy.

Produkt pochodzi z oferty sklepu