Automotive, 50-V, 1.0-A, bipolar stepper motor driver w/integrated current sensing
Texas Instruments
RSS
Sample
- Darmowa próbka
- MPN:
- DRV8899-Q1
- Producent:
- TEXAS INSTRUMENTS
- Dodany do bazy:
- Ostatnio widziany:
Sugerowane produkty dla drv8899
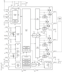
The DRV8899-Q1 is a fully integrated stepper motor driver, supporting up to 1 A full scale current with an internal microstepping indexer, smart tune decay technology, and integrated current sensing. With a simple step/dir interface to manage the direction and step rate, DRV8899-Q1 supports up to 1/256 levels of microstepping to enable a smooth motion profile. Integrated current sensing eliminates the need for two external resistors, saving board space and cost. DRV8899-Q1 provides 8 decay mode options including: smart tune, slow, and mixed decay options. Smart tune automatically adjusts for optimal current regulation performance and compensates for any motor variation and aging effects. The device also includes an integrated torque DAC which allows for the controller to scale the output current through SPI without needing to scale the VREF voltage reference. A low-power sleep mode is provided for very low standby current using an nSLEEP pin. The device features full duplex, 4-wire synchronous SPI communication, with daisy chain support for up to 63 devices connected in series, for configurability and detailed fault reporting. View our full portfolio of stepper motor drivers on ti.com.
Elecena nie prowadzi sprzedaży elementów elektronicznych, ani w niej nie pośredniczy.
Produkt pochodzi z oferty sklepu Texas Instruments