Isolated CAN transceiver with 70-V bus fault protection & flexible data rate
Texas Instruments
RSS
Sample
- Darmowa próbka
- MPN:
- ISO1042
- Producent:
- TEXAS INSTRUMENTS
- Dodany do bazy:
- Ostatnio widziany:
Sugerowane produkty dla dwv
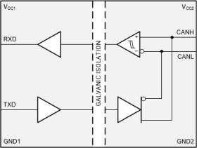
The ISO1042 device is a galvanically-isolated controller area network (CAN) transceiver that meets the specifications of the ISO11898-2 (2016) standard. The ISO1042 device offers ±70-V DC bus fault protection and ±30-V common-mode voltage range. The device supports up to 5-Mbps data rate in CAN FD mode allowing much faster transfer of payload compared to classic CAN. This device uses a silicon dioxide (SiO2) insulation barrier with a withstand voltage of 5000 VRMS and a working voltage of 1060 VRMS. Electromagnetic compatibility has been significantly enhanced to enable system-level ESD, EFT, surge, and emissions compliance. Used in conjunction with isolated power supplies, the device protects against high voltage, and prevents noise currents from the bus from entering the local ground. The ISO1042 device is available for both basic and reinforced isolation (see Reinforced and Basic Isolation Options). The ISO1042 device supports a wide ambient temperature range of –40°C to +125°C. The device is available in the SOIC-16 (DW) package and a smaller SOIC-8 (DWV) package.
Elecena nie prowadzi sprzedaży elementów elektronicznych, ani w niej nie pośredniczy.
Produkt pochodzi z oferty sklepu Texas Instruments