elecena.pl

Automotive 7-A/5-A single-channel low-side gate driver with 5-V UVLO for narrow pulse applications

Texas Instruments

Automotive 7-A/5-A single-channel low-side gate driver with 5-V UVLO for narrow pulse applications RSS Sample
  • Darmowa próbka
MPN:
LMG1025-Q1
Producent:
TEXAS INSTRUMENTS
Dodany do bazy:
Ostatnio widziany:

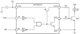
The LMG1025-Q1 is a single channel low-side enhancement-mode GaN FET and logic-level MOSFET driver for high switching frequency automotive applications. Narrow pulse width capability, fast switching specification, and small pulse distortion combine to significantly enhance LiDAR, ToF, and Power Converter performance. 1.25ns output pulse width enables more powerful, eye-safe diode pulses. This, combined with 300ns distortion, leads to longer-range, precise LiDAR/ToF systems. 2.9ns propagation delay significantly improves the control loop response time and thus overall performance of the power converters. Split output allows the drive strength and timing to be independently adjusted through external resistors between OUTH, OUTL, and the FET gate.

The driver features undervoltage lockout (UVLO) and over-temperature protection (OTP) to ensure the device is not damaged in overload or fault conditions. LMG1025-Q1 is available in a compact, leadless, AEC-Q100 automotive qualified package to meet the size and gate loop inductance requirements of high switching frequency automotive applications.

Elecena nie prowadzi sprzedaży elementów elektronicznych, ani w niej nie pośredniczy.

Produkt pochodzi z oferty sklepu