elecena.pl

Automotive 35-V multi-switch detection interface (MSDI) with SPI & integrated ADC

Texas Instruments

Automotive 35-V multi-switch detection interface (MSDI) with SPI & integrated ADC RSS Sample
  • Darmowa próbka
MPN:
TIC12400-Q1
Producent:
TEXAS INSTRUMENTS
Dodany do bazy:
Ostatnio widziany:

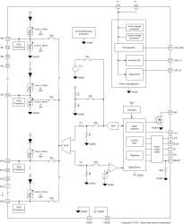
The TIC12400-Q1 is an advanced Multiple Switch Detection Interface (MSDI) designed to detect external switch status in a 12-V automotive system. The TIC12400-Q1 features an integrated 10-bit ADC to monitor multi-position analog switches and a comparator to monitor digital switches independently of the MCU. Detection thresholds can be programmed for the ADC and the comparator to support various switch topologies and system non-idealities. The device monitors 24 direct switch inputs, with 10 inputs configurable to monitor switches connected to either ground or battery. 6 unique wetting current settings can be programmed for each input to support different application scenarios. The device supports wake-up operation on all switch inputs to eliminate the need to keep the MCU active continuously, thus reducing power consumption of the system. The TIC12400-Q1 also offers integrated fault detection, ESD protection, and diagnostic functions for improved system robustness. The TIC12400-Q1 supports 2 modes of operations: continuous and polling mode. In continuous mode, wetting current is supplied continuously. In polling mode, wetting current is turned on periodically to sample the input status based on a programmable timer, thus the system power consumption is significantly reduced.

Elecena nie prowadzi sprzedaży elementów elektronicznych, ani w niej nie pośredniczy.

Produkt pochodzi z oferty sklepu