elecena.pl

4.5-V to 60-V, 478mΩ, 0.025-0.88A eFuse with integrated input and output reverse polarity protection

Texas Instruments

4.5-V to 60-V, 478mΩ, 0.025-0.88A eFuse with integrated input and output reverse polarity protection RSS Sample
  • Darmowa próbka
MPN:
TPS2662
Producent:
TEXAS INSTRUMENTS
Dodany do bazy:
Ostatnio widziany:

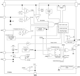
The TPS2662x family are compact, feature rich high voltage eFuses with a full suite of protection features. The wide supply input range of 4.5 V to 60 V allows control of many popular DC bus voltages. The device can withstand and protect the loads from positive and negative supply voltages up to ±60 V. The TPS26624 and TPS26625 devices support both input as well as output reverse polarity protection feature. Integrated back to back FETs provide reverse current blocking feature making the device suitable for systems with output voltage holdup requirements during power fail and brownout conditions. Load, source and device protection are provided with many adjustable features including overcurrent, output slew rate and overvoltage, undervoltage thresholds. The internal robust protection control blocks along with the high voltage rating of the TPS2662x family helps to simplify the system designs for Surge protection.

The TPS26620, TPS26622 and TPS26624 feature latch-off and TPS26621, TPS26623 and TPS26625 feature auto-retry functionality, which are the overtemperature and overcurrent fault events.

The devices are available in a 3 mm × 3 mm 10-pin SON package and are specified over a –40°C to +125°C temperature range.

Elecena nie prowadzi sprzedaży elementów elektronicznych, ani w niej nie pośredniczy.

Produkt pochodzi z oferty sklepu