elecena.pl

85-VOUT boost converter with current mirror and sample and hold

Texas Instruments

85-VOUT boost converter with current mirror and sample and hold RSS Sample
  • Darmowa próbka
MPN:
TPS61390
Producent:
TEXAS INSTRUMENTS
Dodany do bazy:
Ostatnio widziany:

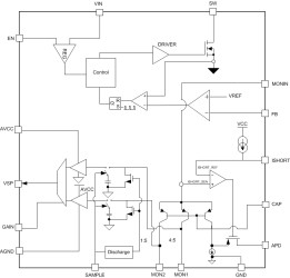
The TPS61390 is a 700-kHz pulse-width modulating (PWM) step-up converter with an 85-V switch FET with an input ranging from 2.5 V to 5.5 V. The switching peak current is up to 1000 mA. The TPS61390 includes accurate current mirror with two gain options selectable (1 : 5 or 4 : 5).

Additionally, the TPS61390 integrates a sample-and-hold circuitry for the burst-mode optical receiver applications to capture the current flowing through the APD and pass the current to an external ADC. The device supports fast response time during the transition between strong and weak optical density. The TPS61390 also provides high optical-power protection with an additional FET in series with the APD power path with the typical response time of 0.5 µs . It can recover automatically once the high optical releasing.

The TPS61390 is available in 3 mm × 3 mm QFN package with exposed pad underneath.

Elecena nie prowadzi sprzedaży elementów elektronicznych, ani w niej nie pośredniczy.

Produkt pochodzi z oferty sklepu