User programmable power management IC (PMIC) with 3 DC/DCs, 4 LDOs, battery charger and LED driver
Texas Instruments
RSS
Sample
- Darmowa próbka
- MPN:
- TPS652170
- Producent:
- TEXAS INSTRUMENTS
- Dodany do bazy:
- Ostatnio widziany:
Sugerowane produkty dla am335
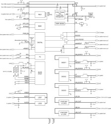
The TPS652170 is a single-chip power management IC (PMIC) specifically designed to power the AM335x ARM® Cortex®-A8 processor in portable and 5-V line-powered applications. The PMIC device provides a linear battery charger for single-cell Li-ion and Li-polymer batteries, dual-input power path, three step-down converters, four low-dropout (LDO) regulators, and a high-efficiency boost converter to power two strings of up to 10 LEDs each. The system can be supplied by any combination of USB port, 5-V AC adaptor, or Li-Ion battery. The device is characterized across a –40°C to +105°C temperature range which makes it suitable for industrial applications. Three high-efficiency 2.25-MHz step-down converters can providing the core voltage, memory, and I/O voltage for a system. The TPS652170 device comes in a 48-pin leadless package (6-mm × 6-mm VQFN) with a 0.4-mm pitch.
Elecena nie prowadzi sprzedaży elementów elektronicznych, ani w niej nie pośredniczy.
Produkt pochodzi z oferty sklepu Texas Instruments