USB-C® Power Delivery controller with integrated power switches for PC hosts & Thunderbolt devices
Texas Instruments
RSS
Sample
Przejdź do sklepu »
- Darmowa próbka
- MPN:
- TPS65987DDJ
- Producent:
- TEXAS INSTRUMENTS
- Dodany do bazy:
- Ostatnio widziany:
Sugerowane produkty dla tps65987
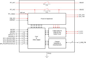
The TPS65987DDJ is a single port highly integrated stand-alone USB Type-C and Power Delivery (PD) controller optimized for docking stations or monitors. The TPS65987DDJ integrates fully managed power paths with robust protection for a complete USB-C PD solution. This device is featured on Intel’s Reference Design for TBT3 end equipments ensuring the PD controller has proper system level interaction in these types of designs. This feature greatly reduces system design complexity and results in reduced time to market.
Elecena nie prowadzi sprzedaży elementów elektronicznych, ani w niej nie pośredniczy.
Produkt pochodzi z oferty sklepu Texas Instruments