elecena.pl

Dual 2:1 USB 2.0 Mux/DeMux or Single Ended Cross Switch With 20-V/24-V OVP

Texas Instruments

Dual 2:1 USB 2.0 Mux/DeMux or Single Ended Cross Switch With 20-V/24-V OVP RSS Sample
  • Darmowa próbka
MPN:
TS5USBC41
Producent:
TEXAS INSTRUMENTS
Dodany do bazy:
Ostatnio widziany:

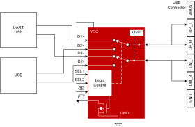
The TS5USBC41 is a bidirectional low-power dual port, high-speed, USB 2.0 analog switch with integrated protection for USB Type-C™ systems. The device is configured as a dual 2:1 or 1:2 switch. It is optimized for use with the USB 2.0 D+/- lines in a USB Type-C™ systems.

The TS5USBC41 protection on the I/O pins can tolerate up to 20 V (TS5USBC410) or 24 V (TS5USBC412) with automatic shutoff circuitry to protect system components behind the switch.

The TS5USBC41 comes in a small 12 pin DSBGA package making it a perfect candidate for mobile and space constrained applications.

Elecena nie prowadzi sprzedaży elementów elektronicznych, ani w niej nie pośredniczy.

Produkt pochodzi z oferty sklepu