250 MHz Dual Integrated DCL with Level Setting DACs, per pin PMU, and per Chip VHH
Analog Devices
RSS
Sample
- Darmowa próbka
- MPN:
- ADATE305
- Producent:
- ANALOG DEVICES
- Dodany do bazy:
- Ostatnio widziany:
- Zmiana ceny:
- -100% (21.01.2025)
- Poprzednia cena:
- 32.40
Sugerowane produkty dla vhh
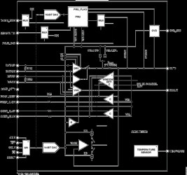
The ADATE305 is a complete, single-chip solution that performs the pin electronic functions of the driver, the comparator, and the active load (DCL), per pin PMU, and dc levels for ATE applications. The device also contains an HVOUT driver with a VHH buffer capable of generating up to 13.5 V.
The driver features three active states: data high mode, data low mode, and term mode, as well as an inhibit state. The inhibit state, in conjunction with the integrated dynamic clamp, facili-tates the implementation of a high speed active termination. The ADATE305 supports two output voltage ranges: −2.0 V to +6.0 V and −1.5 V to +6.0 V by adjusting the positive and negative supply voltages.
The ADATE305 can be used as either a dual single-ended drive/ receive channel or a single differential drive/receive channel. Each channel of the ADATE305 features a high speed window comparator per pin for functional testing, as well as a per pin PMU with FV, or FI and MV, or MI functions. All necessary dc levels for DCL functions are generated by on-chip 14-bit DACs. The per pin PMU features an on-chip 16-bit DAC for high accuracy and contains integrated range resistors to minimize external component counts.
The ADATE305 uses a serial bus to program all functional blocks and has an on-board temperature sensor for monitoring the device temperature.
Applications
* Automatic test equipment
* Semiconductor test systems
* Board test systems
* Instrumentation and characterization equipment
Data Sheet, Rev. 0, 8/08
* Driver See Data Sheet for Additional Information * Comparator Window and differential comparator 500 MHz input equivalent bandwidth * Load ±12 mA maximum current capability * Per pin PMU See Data Sheet for Additional Information
Elecena nie prowadzi sprzedaży elementów elektronicznych, ani w niej nie pośredniczy.
Produkt pochodzi z oferty sklepu Analog Devices