AC'97 SoundMAX® Codec
Analog Devices
RSS
Sample
Przejdź do sklepu »
- Darmowa próbka
- MPN:
- AD1887
- Producent:
- ANALOG DEVICES
- Dodany do bazy:
- Ostatnio widziany:
Sugerowane produkty dla ad1887
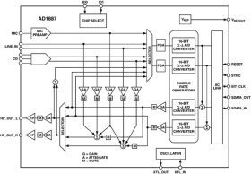
The AD1887 is used to add analog and digital audio capabilities to computer motherboards by connecting directly to the AC'97 core logic chipset. By reusing existing system resources, this solution adds flexibility, improves sound quality, and lowers the system BOM cost by integrating components.
* Full Duplex Variable Sample Rates from 7040 Hz to 48 kHz with 1 Hz Resolution * Software-Enabled VREFOUT Output for Microphones and External Power Amp * Mobile Low-Power Mixer Mode
Elecena nie prowadzi sprzedaży elementów elektronicznych, ani w niej nie pośredniczy.
Produkt pochodzi z oferty sklepu Analog Devices