elecena.pl

x4 Active Multiplier SMT, 6 - 10 GHz Fout

Analog Devices

x4 Active Multiplier SMT, 6 - 10 GHz Fout RSS Sample
  • Darmowa próbka
MPN:
HMC917
Producent:
ANALOG DEVICES
Dodany do bazy:
Ostatnio widziany:

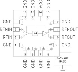
The HMC917LP3E is an active x4 frequency multiplier housed in a 3x3 mm leadless QFN surface mount package. Power output is 2 dBm typical from a single +5V supply and varies little vs. input power, temperature and supply voltage. Suppression of undesired fundamental and spurious is 20 dBc typical with respect to output signal level. The low additive SSB phase noise of -148 dBc/Hz at 100 kHz offset helps the user maintain good system noise performance. The HMC917LP3E is ideal for use in LO multiplier chains allowing reduced parts count versus traditional approaches.

Applications

* Microwave Radio & VSAT

* Military Radios, Radar & ECM

* Test Instrumentation

* Output Power: 2 dBm

* Spurious Suppression:

>20 dBc

* SSB Phase Noise: -148 dBc/Hz @ 100 kHz Offset

Elecena nie prowadzi sprzedaży elementów elektronicznych, ani w niej nie pośredniczy.

Produkt pochodzi z oferty sklepu