elecena.pl

GaAs MMIC I/Q Upconverter SMT, 10 - 16 GHz

Analog Devices

GaAs MMIC I/Q Upconverter SMT, 10 - 16 GHz RSS Sample
  • Darmowa próbka
MPN:
HMC924
Producent:
ANALOG DEVICES
Dodany do bazy:
Ostatnio widziany:

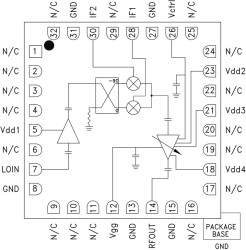
The HMC924LC5 is a compact GaAs MMIC I/Q upconverter in a leadless RoHS compliant SMT package. This device provides a small signal conversion gain of 15 dB with -30 dBc of sideband rejection. The HMC924LC5 utilizes a RF amplifier preceded by an I/Q mixer where the LO is driven by a driver amplifier. IF1 and IF2 mixer inputs are provided and an external 90° hybrid is needed to select the required sideband. The I/Q mixer topology reduces the need for filtering of the unwanted sideband. The HMC924LC5 is a much smaller alternative to hybrid style single sideband upconverter assemblies and it eliminates the need for wire bonding by allowing the use of surface mount manufacturing techniques.

Applications

* Point-to-Point and Point-to-Multi-Point Radio

* Broadband Test & Measurement

* Military Radar, EW & ELINT

* Satellite Communications

* Sensors

* High Conversion Gain: 15 dB

* Excellent Sideband Rejection: -30 dBc

* LO / RF Rejection: 15 dBc

Elecena nie prowadzi sprzedaży elementów elektronicznych, ani w niej nie pośredniczy.

Produkt pochodzi z oferty sklepu