AC'97 SoundMAX® Codec w/SPDIF w/EQ
Analog Devices
RSS
Sample
Przejdź do sklepu »
- Darmowa próbka
- MPN:
- AD1980
- Producent:
- ANALOG DEVICES
- Dodany do bazy:
- Ostatnio widziany:
Sugerowane produkty dla ad1980
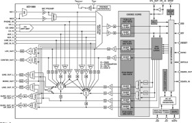
The AD1980 is used to add analog and digital audio capabilities to computer motherboards by connecting directly to the Intel core logic chipset. By reusing existing systems resources, this solution adds flexibility, improves sound quality, and lowers the system BOM cost by integrating components.
* Flexible OS support * Integrated AC'97 interface * Low risk vendor selection and source of supply * Fast time to market
Elecena nie prowadzi sprzedaży elementów elektronicznych, ani w niej nie pośredniczy.
Produkt pochodzi z oferty sklepu Analog Devices