Broadband High IP3 Downconverter, 0.7 - 3.5 GHz
Analog Devices
RSS
Sample
- Darmowa próbka
- MPN:
- HMC1090
- Producent:
- ANALOG DEVICES
- Dodany do bazy:
- Ostatnio widziany:
Sugerowane produkty dla hmc1090lp3e
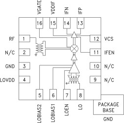
The HMC1090LP3E is a high linearity, single channel downconverting mixer optimized for multi-standard diversity receiver applications that require low power consumption and small size. The HMC1090LP3E features new wideband limiting LO amplifiers to achieve an unprecedented RF bandwidth of 700 MHz to 3500 MHz. Unlike conventional narrow-band downconverter RFICs, the HMC1090LP3E supports both high-side and low-side LO injection over the entire RF frequency band. The RF and LO input ports are internally matched to 50Ω.
The HMC1090LP3E integrates LO and IF amplifiers with enable functions, LO and RF baluns and high linearity passive mixer cores with bias control interface. The balanced passive mixer combined with the high-linearity IF amplifier architecture provides excellent LO-to-RF, LO-to-IF and RF-to-IF isolations. The HMC1090LP3E provides a very low noise figure of 10 dB, and high IIP3 of +25 dBm allowing the device to be used in demanding wideband applications. The HMC1090LP3E's input IP3 can be further improved by external matching in narrow-band applications. The HMC1090LP3E exhibits less than 1.5W power consumption which can be optimized through external bias control pins. The HMC1090LP3E also features a very fast enable control interface for reduced power consumption in Time Division Duplex (TDD) applications. The HMC1090LP3E is housed in a RoHS compliant 3x3 mm leadless QFN package.
Applications
* Multiband/Multi-standard Cellular
BTS Diversity Receivers
* GSM & 3G & LTE/WiMAX/4G
* MIMO Infrastructure Receivers
* Wideband Radio Receivers
* Multiband Basestations & Repeaters
* Broadband Operation with no external matching
* High-side and Low-side LO injection Operation
* Wide IF Frequency Range
* High Input IP3 of +25dBm
* Power Conversion Gain of 7 dB
Elecena nie prowadzi sprzedaży elementów elektronicznych, ani w niej nie pośredniczy.
Produkt pochodzi z oferty sklepu Analog Devices