elecena.pl

x3 Active Multiplier SMT, 8 - 16 GHz Fout

Analog Devices

x3 Active Multiplier SMT, 8 - 16 GHz Fout RSS Sample
  • Darmowa próbka
MPN:
HMC916
Producent:
ANALOG DEVICES
Dodany do bazy:
Ostatnio widziany:

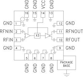
The HMC916LP3E is an active x3 frequency multiplier in a 3x3 mm leadless QFN surface mount package. Power output is 2 dBm typical from a single +5V supply and varies little vs. input power, temperature and supply voltage. Suppression of undesired fundamental and spurious is 15 dBc typical with respect to output signal level. The low additive SSB phase noise of -152 dBc/Hz at 100 kHz offset helps the user maintain good system noise performance. The HMC916LP3E is ideal for use in LO multiplier chains allowing reduced parts count versus traditional approaches.

Applications

* Microwave Radio & VSAT

* Military Radios, Radar & ECM

* Test Instrumentation

* Output Power: 2 dBm

* Spurious Suppression:

>15 dBc

* SSB Phase Noise: -152 dBc/Hz @ 100 kHz Offset

Elecena nie prowadzi sprzedaży elementów elektronicznych, ani w niej nie pośredniczy.

Produkt pochodzi z oferty sklepu