Broadband High IP3 Dual Channel Downconverter, 0.7 - 3.5 GHz
Analog Devices
RSS
Sample
- Darmowa próbka
- MPN:
- HMC990
- Producent:
- ANALOG DEVICES
- Dodany do bazy:
- Ostatnio widziany:
Sugerowane produkty dla hmc990lp4e
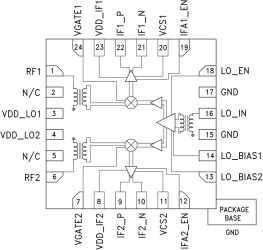
The HMC990LP4E is a high linearity, dual channel downconverting mixer optimized for multi-standard diversity receiver applications that require low power consumption and small size. The HMC990LP4E features new wideband limiting LO amplifiers to achieve an unprecedented RF bandwidth of 700 MHz to 3500 MHz. Unlike conventional narrow-band downconverter RFICs, the HMC990LP4E supports both high-side and low-side LO injection over the entire RF frequency band. The RF and LO input ports are internally matched to 50Ω.
The HMC990LP4E integrates LO and IF amplifiers with enable functions, LO and RF baluns and high linearity passive mixer cores with bias control interface. The balanced passive mixer combined with high-linearity IF amplifier architecture of HMC990LP4E provides excellent LO-to-RF, LO-to-IF, and RF-to-IF isolations. The HMC990LP4E provides a very low noise figure of 9dB, and high IIP3 of +25.6dBm allowing device to be used in demanding wideband applications. The HMC990LP4E's input IP3 can be further improved by external matching for narrow-band applications. The HMC990LP4E has typical less than 1.5W power consumption which can be optimized through external bias control pins. The HMC990LP4E also features a very fast enable control interface for to be used for power saving in Time Division Duplex (TDD) applications. The HMC990LP4E is housed in a RoHS compliant 4x4 mm2 leadless QFN package.
Applications
* Multiband/Multi-standard Cellular BTS Diversity Receivers
* GSM & 3G & LTE/WiMAX/4G
* MIMO Infrastructure Receivers
* Wideband Radio Receivers
* Multiband Basestations & Repeaters
* Broadband Operation with no external matching
* Industry's Most Compact Solution, 4x4 mm² QFN Package
* High-side and Low-side LO injection Operation
* Wide IF Frequency Range
* High Input IP3 of +25.6dBm @ 2200 MHz
* Power Conversion Gain of 7 dB
Elecena nie prowadzi sprzedaży elementów elektronicznych, ani w niej nie pośredniczy.
Produkt pochodzi z oferty sklepu Analog Devices